- Partiron
- OEM Parts
- Yamaha
- snowmobile
- 1982
- BR250F 1982
CARBURETOR BR250F - G
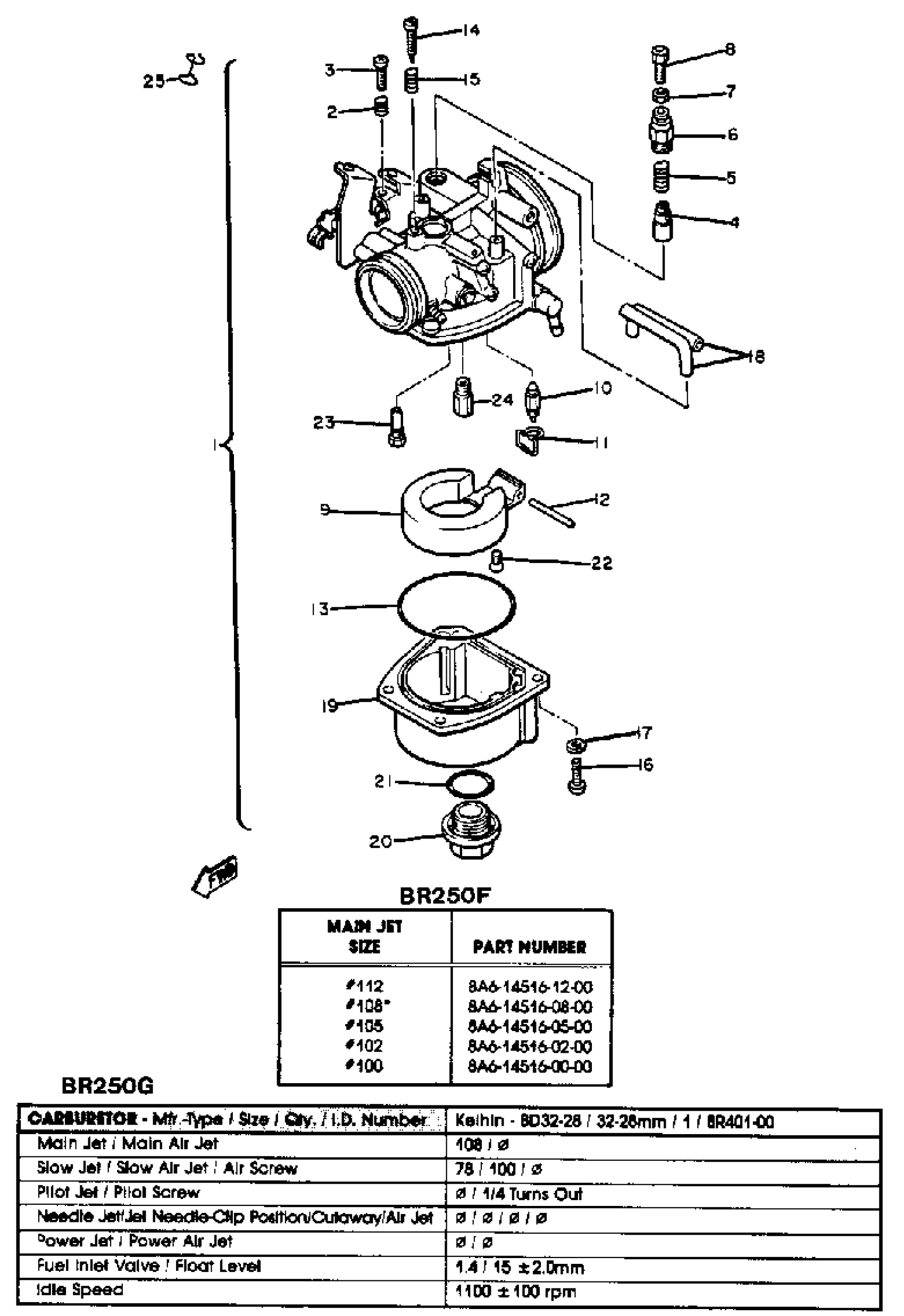
Yamaha BR250F 1982 CARBURETOR BR250F - G Diagram
#
Description
Price
1
CARBURETOR ASSEMBLY 1
8R4-14101-00-00
Unavailable
2
. SPRING, COMPRESSION
90501-12229-00
Unavailable
3
. SCREW, PAN HEAD
90157-04010-00
Unavailable
7
. NUT, CABLE ADJUSTING
8E7-14161-00-00
Unavailable
12
. PIN, FLOAT ARM
663-14548-00-00
Unavailable
14
SCREW, ADJUST
8G6-14521-00-00
Unavailable
16
SCREW, PN/HD.W/WSHR
(97602-04114-00)
Unavailable
17
YBS67-4 WASHER, SPRING
92990-04100-00
Unavailable
18
. NET, FILTER
8G6-14994-01-00
Unavailable
18
. PIPE
8R4-14994-00-00
Unavailable
19
BODY, FLOAT CHAMBER
(8M7-14980-00-00)
Unavailable
20
. ROD
8M7-14992-00-00
Unavailable
21
O-RING (8A6)
93210-19309-00
Unavailable
22
SCREW, FLAT
98707-04008-00
Unavailable
23
JET, SLOW (#78)
8G6-14948-18-00
Unavailable
24
. JET, MAIN (#100)
8A6-14516-00-00
Unavailable
24
. JET, MAIN (#102)
8A6-14516-02-00
Unavailable
24
. JET, MAIN (#102)
8A6-14516-02-00
Unavailable
24
JET, MAIN (#105)
8A6-14516-05-00
Unavailable
24
. JET, MAIN #108
8A6-14516-08-00
Unavailable
24
. JET, MAIN #112
8A6-14516-12-00
Unavailable
25
CLAMP
90465-10033-00
Unavailable
