- Partiron
- OEM Parts
- Polaris
- ATV
- 1992
- BIG BOSS 6X6 - W928727
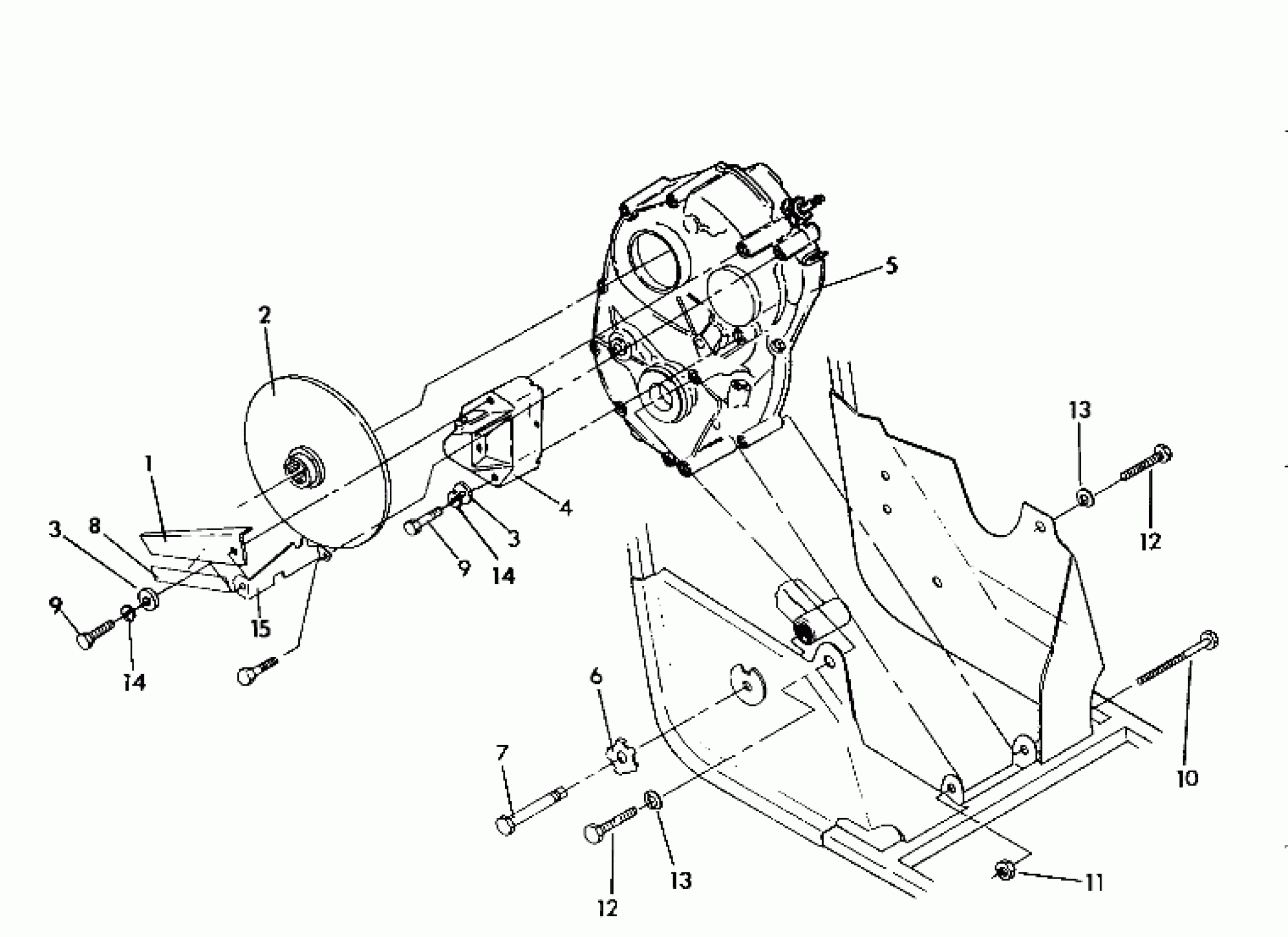
GEARCASE / BRAKE ASSEMBLY 250 6x6 / W928727 (4922842284037A)
Polaris BIG BOSS 6X6 - W928727 GEARCASE / BRAKE ASSEMBLY 250 6x6 / W928727 (4922842284037A) Diagram
#
Description
Price
1
COVER,BRAKE DISC.
5222563-067
Unavailable
2
DISC, BRAKE
1910087
Unavailable
4
CALIPER, R.BRAKE (Compl.)
1910047
Unavailable
5
DESC NOT_AVAILABLE
1341099
Unavailable
7
BOLT, SHOULDER
7512704
Unavailable
7
BOLT, SHOULDER
7512703
Unavailable
8
DECAL(CPSC),BRAKE SHIELD Substituted by 7075339
7072790
Unavailable
12
BOLT(10) Substituted by 7512492
7515458
Unavailable
12
BOLT(10) Substituted by 7512492
7515458
Unavailable
15
SHIFTLOCK, CABLE,BLK.
5222569-067
Unavailable
