- Partiron
- OEM Parts
- Polaris
- ATV
- 1992
- BIG BOSS 6X6 - W928727
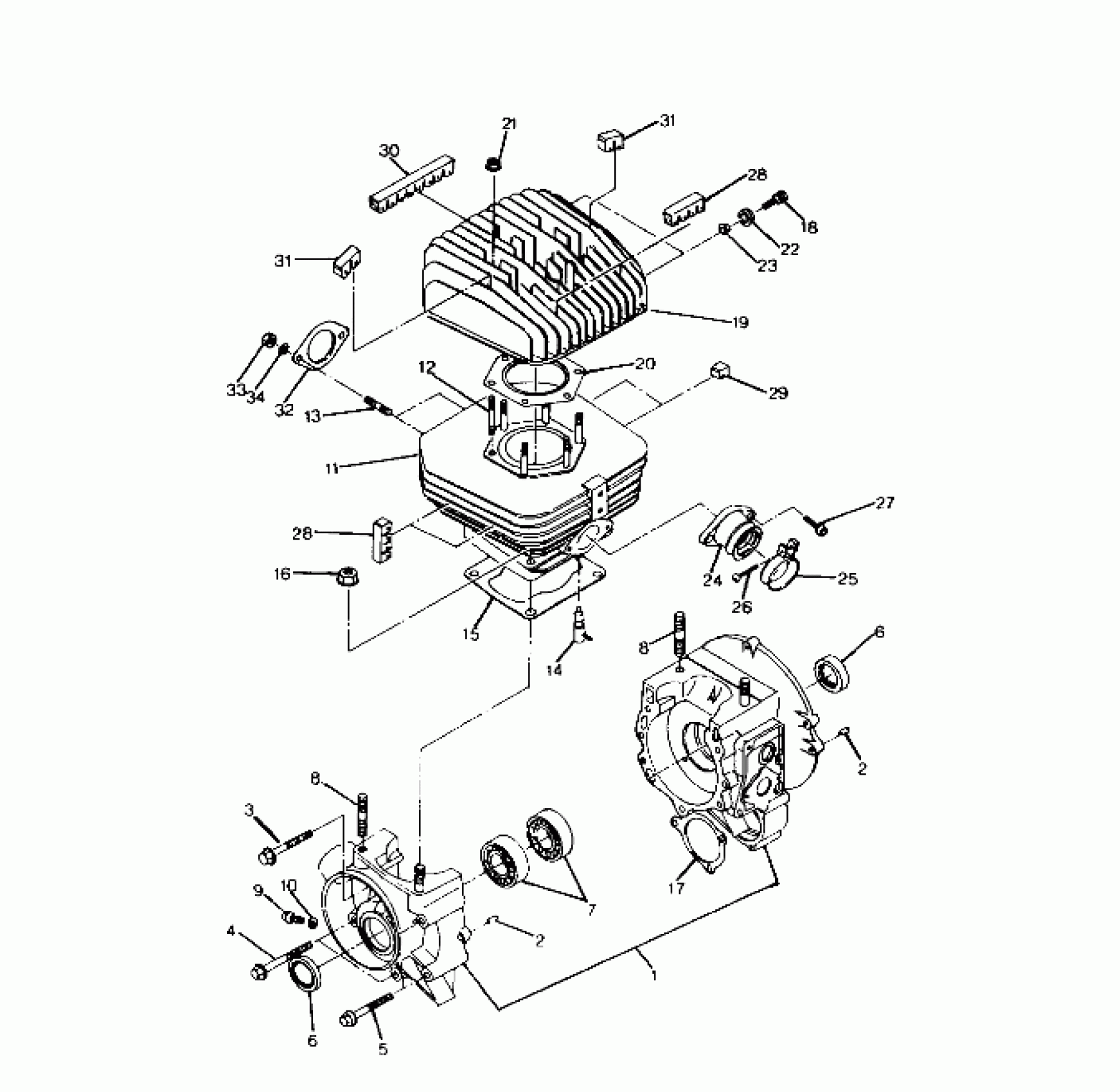
CRANKCASE and CYLINDER ASSEMBLY 250 6x6 / W928727 (4922842284043A)
Polaris BIG BOSS 6X6 - W928727 CRANKCASE and CYLINDER ASSEMBLY 250 6x6 / W928727 (4922842284043A) Diagram
#
Description
Price
1
CRANKCASE ASM. Substituted by 3084579 (Incl. 2-10)
3083836
Unavailable
4
BOLT&WASHER ASSY.
3083615
Unavailable
7
BEARING,BALL
3083805
Unavailable
8
STUD Substituted by 3085713
3080746
Unavailable
8
STUD Substituted by 3085713
3080746
Unavailable
9
PLUG, DRAIN
3083767
Unavailable
11
CYLINDER Substituted by 3085541 (Incl. 12-14)
3083769
Unavailable
14
VALVE, CHECK Substituted by 3086785
3083337
Unavailable
17
GASKET (Starter)
3083835
Unavailable
19
HEAD, CYLINDER Substituted by 3086841
3083620
Unavailable
20
GASKET, HEAD (Complete)
3083768
Unavailable
23
COLLAR
3083732
Unavailable
25
BAND-CARB MTG. (Incl. 26)
3082257
Unavailable
28
FIN DAMPER #1
3083929
Unavailable
28
FIN DAMPER #1
3083929
Unavailable
29
FIN DAMPER #2
3083930
Unavailable
30
FIN DAMPER #3
3083931
Unavailable
32
GASKET, EXHAUST
3083770
Unavailable
33
NUT(10)
3080285
Unavailable
