Partiron

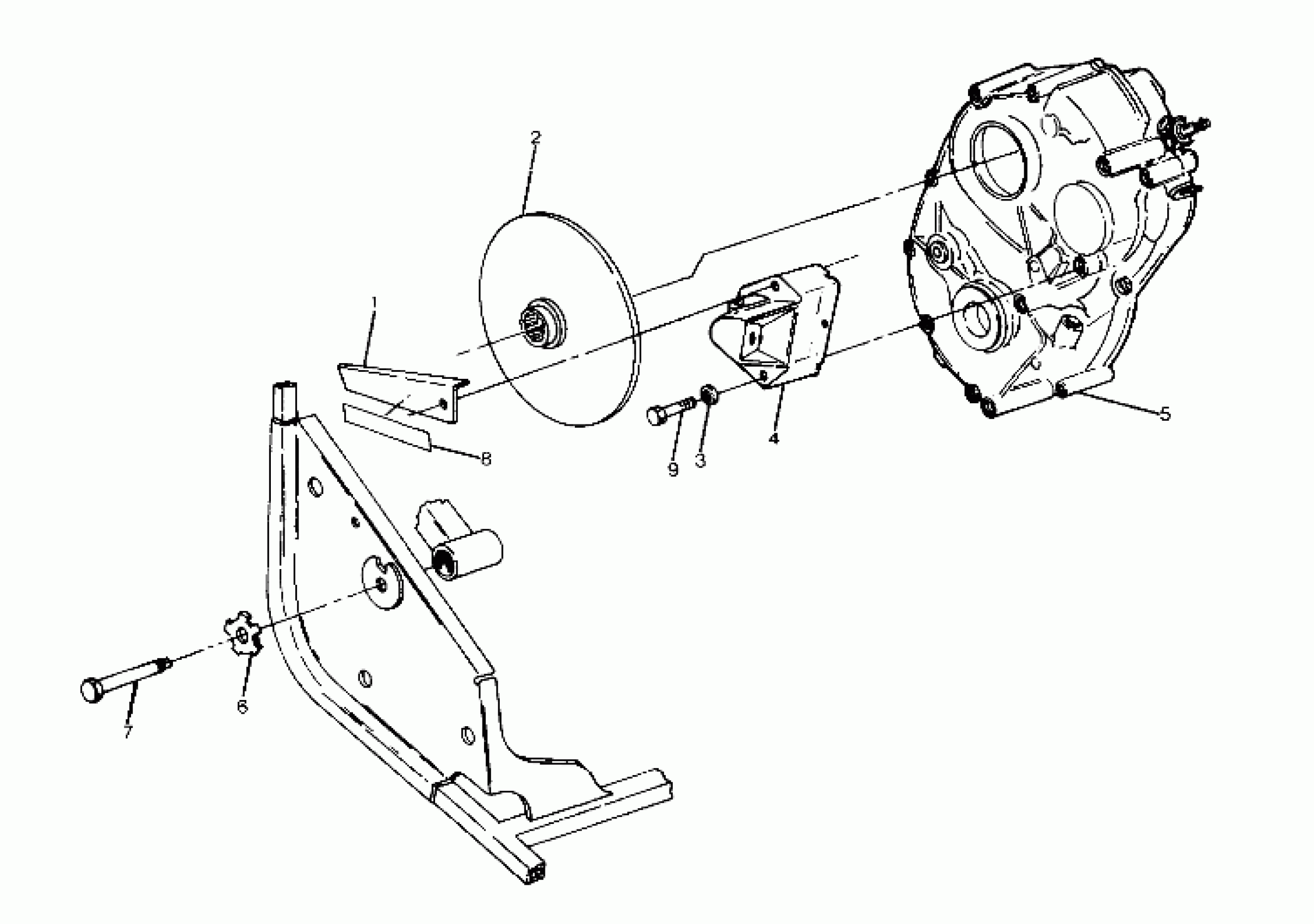
Polaris BIG BOSS 6X6 - W918727 GEARCASE/BRAKE MOUNTING 6X6 (4919811981037A) Diagram

#

Description
Price

1

COVER,BRAKE DISC Substituted by 5222563-067

5222563

Unavailable

2

DISC, BRAKE Substituted by 1910087

1910021

Unavailable

3

WASHER-.344X.688X.063 FL-Y

7558402

$1.49

4

CALIPER, R.BRAKE (Compl.)

1910047

Unavailable

5

GEARCASE,(ME35,P1)

1341080

$1,364.99

6

PLATE,BOLT LOCK

5220958

$35.99

7

BOLT, SHOULDER

7512701

$23.99

7

BOLT, SHOULDER

7512702

Unavailable

8

DECAL(CPSC),BRAKE SHIELD Substituted by 7075339

7072790

Unavailable

9

BOLT(10)

7515345

$5.59