- Partiron
- OEM Parts
- Polaris
- ATV
- 1991
- BIG BOSS 6X6 - W918727
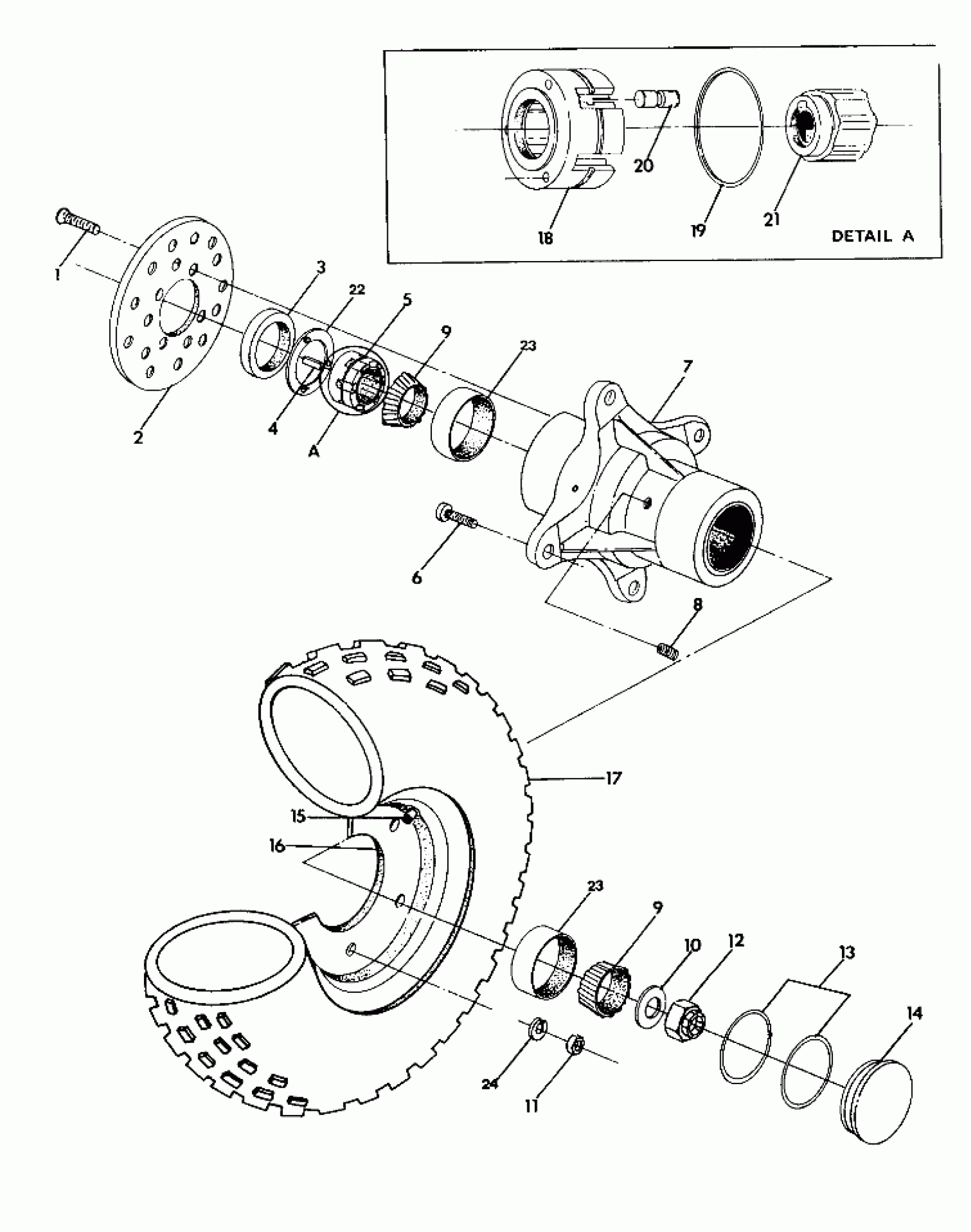
FRONT WHEEL ASSEMBLY UPDATED 2-91 6X6 (4919811981017A)
Polaris BIG BOSS 6X6 - W918727 FRONT WHEEL ASSEMBLY UPDATED 2-91 6X6 (4919811981017A) Diagram
#
Description
Price
4
KEY
7721205
Unavailable
6
STUD,WHEEL,5/16-18(10)
7515330
Unavailable
7
HUB, WHEEL Substituted by 1520171
5130682
Unavailable
10
WASHER(10)
5211101
Unavailable
12
NUT, LOCK Substituted by 7543201
7543202
Unavailable
16
RIM,FRONT,WELD.
1520118
Unavailable
17
TIRE,FR(22X8-10)
5410480
Unavailable
19
SPRING, GARTER
3250022
Unavailable
