- Partiron
- OEM Parts
- Polaris
- ATV
- 1995
- BIG BOSS 6X6 400L - W958740
WATER PUMP 6x6 400L - U.S. W958740, SWEDISH S958740 and NORWEGIAN N958740 (4930273027D014)
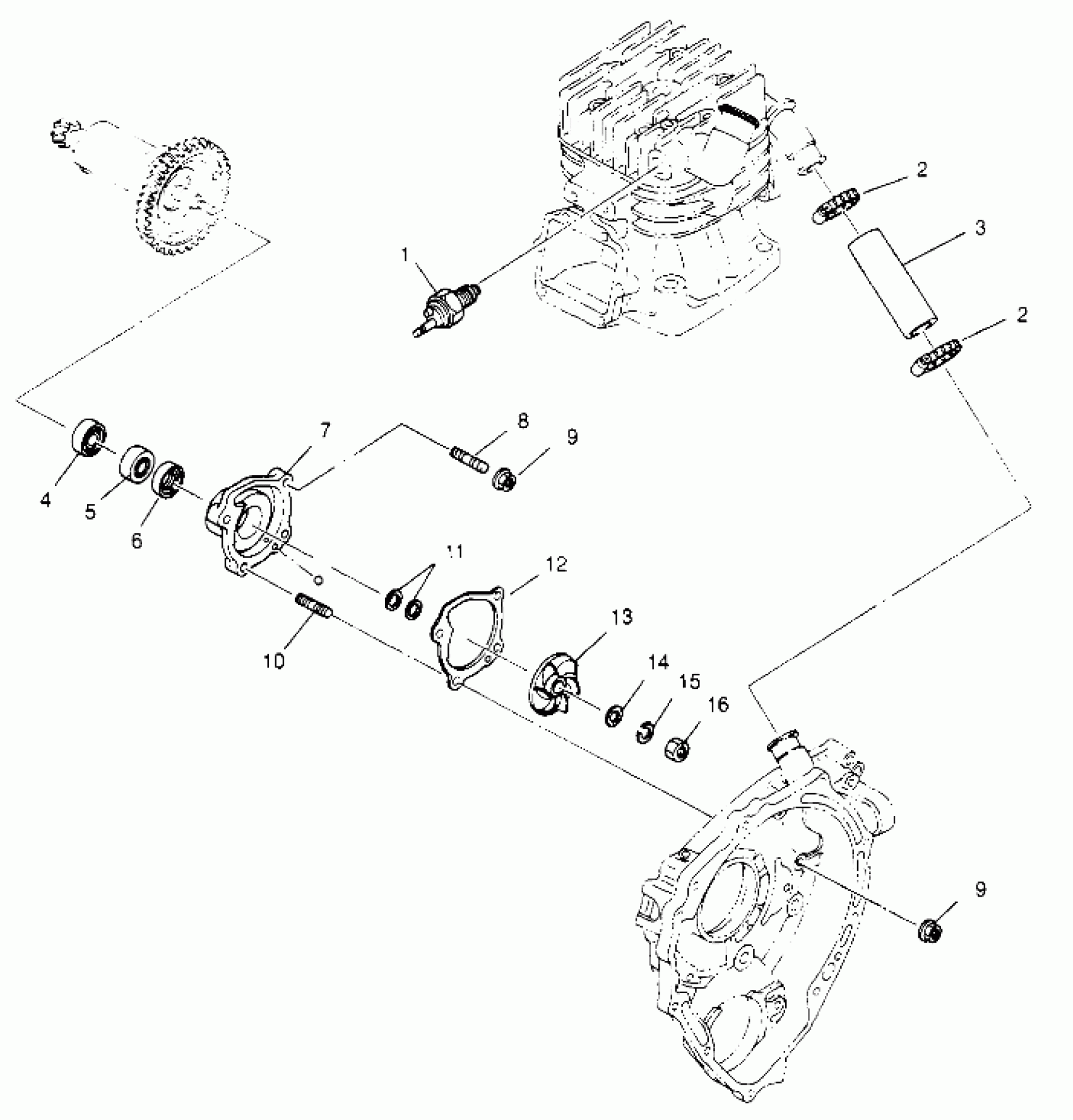
Polaris BIG BOSS 6X6 400L - W958740 WATER PUMP 6x6 400L - U.S. W958740, SWEDISH S958740 and NORWEGIAN N958740 (4930273027D014) Diagram
#
Description
Price
1
SWITCH,THERMAL,IOS
3084284
Unavailable
3
HOSE, MAIN Substituted by 3086773
3084190
Unavailable
4
Bearing, Ball
3084183
Unavailable
5
Seal, Oil
3084184
Unavailable
6
Seal, Oil
3084185
Unavailable
7
CASE,WATER PUMP Substituted by 3086770 (Incl. 4-8, 10)
3085084
Unavailable
7
CASE,WATER PUMP Substituted by 3084754 (Incl. 8, 10)
3085085
Unavailable
8
STUD Substituted by 3086775
3085086
Unavailable
11
SPACER #3, (0.1)
3084188
Unavailable
11
SPACER #4, (0.2)
3084189
Unavailable
13
Impeller
3084186
Unavailable
