- Partiron
- OEM Parts
- Polaris
- ATV
- 1995
- BIG BOSS 6X6 400L - W958740
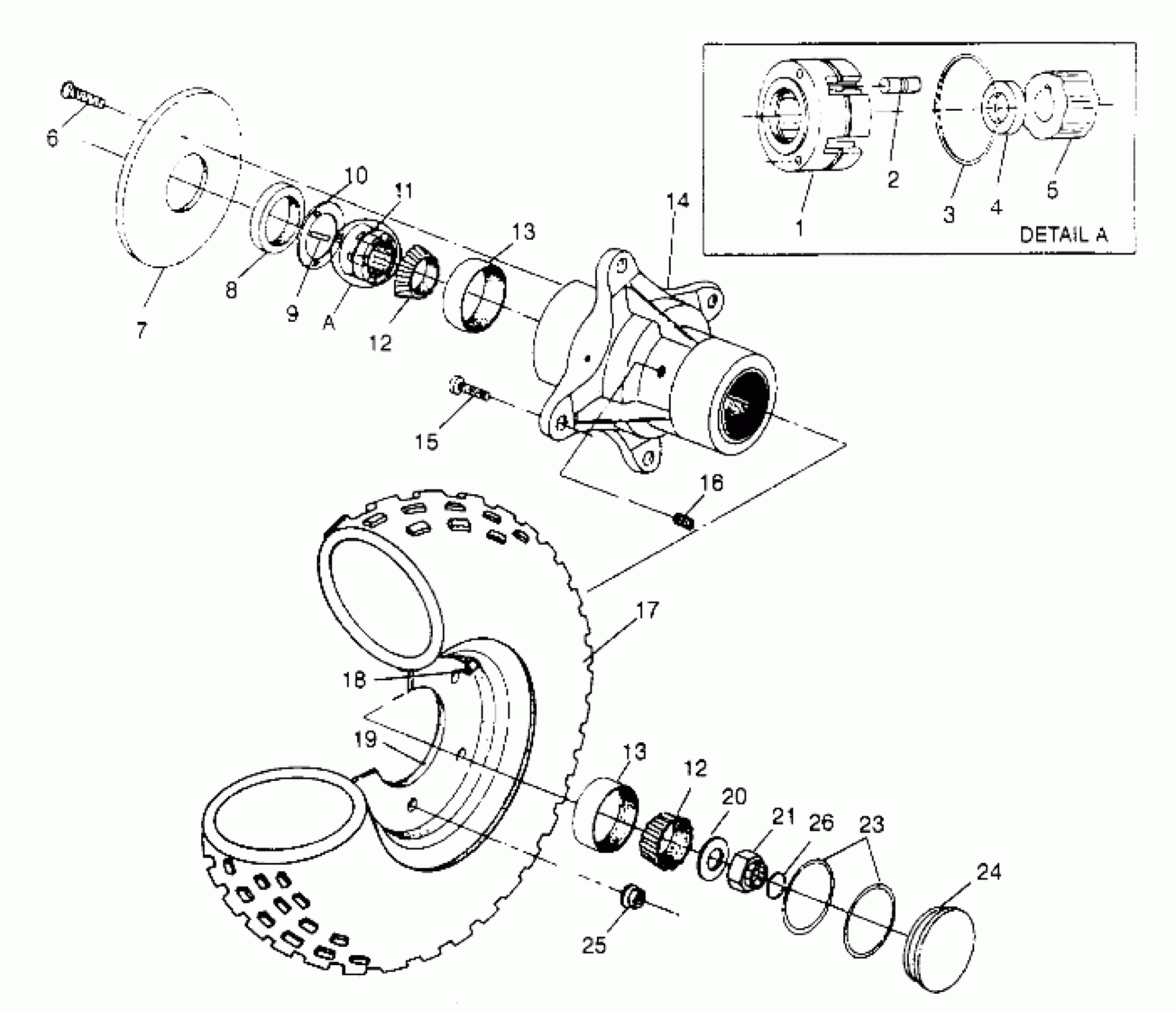
FRONT WHEEL ASSEMBLY 6x6 400L - U.S. W958740, SWEDISH S958740 and NORWEGI (4930273027B009)
Polaris BIG BOSS 6X6 400L - W958740 FRONT WHEEL ASSEMBLY 6x6 400L - U.S. W958740, SWEDISH S958740 and NORWEGI (4930273027B009) Diagram
#
Description
Price
4
SPACER (Keyed Drive Shaft)
3250026
Unavailable
5
CAM (Keyed Drive Shaft)
3250027
Unavailable
6
STUD,WHEEL,5/16-18(10)
7515330
Unavailable
9
KEY
7721115
Unavailable
11
CLUTCH ASM,F.HUB,EL./MECH. (Keyed Drive Shaft)
1520218
Unavailable
14
HUB ASM,W/BRG.RACE (Incl. 8, 13, 15)
1520182
Unavailable
17
TIRE,FR(25X8-12) (25x8x12)
5410947
Unavailable
20
WASHER(10) (Keyed)
5211101
Unavailable
20
WASHER(10) (Splined)
7555903
Unavailable
21
NUT,RH THREAD
7543201
Unavailable
24
CAP, HUB
5431367
Unavailable
