- Partiron
- OEM Parts
- Polaris
- ATV
- 1995
- BIG BOSS 6X6 400L - W958740
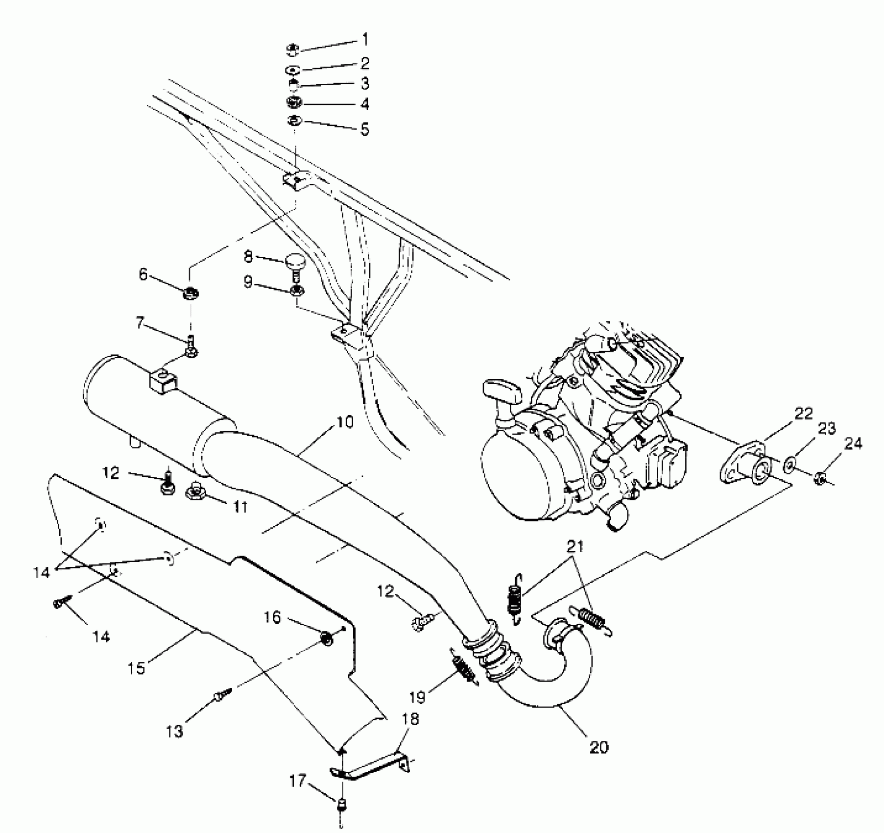
EXHAUST SYSTEM 6x6 400L - U.S. W958740, SWEDISH S958740 and NORWEGIAN N95 (4930273027A013)
Polaris BIG BOSS 6X6 400L - W958740 EXHAUST SYSTEM 6x6 400L - U.S. W958740, SWEDISH S958740 and NORWEGIAN N95 (4930273027A013) Diagram
#
Description
Price
5
BUSHING(10)
7555781
Unavailable
6
DAMPENER
5410241
Unavailable
8
MOUNT, MOTOR
3110030
Unavailable
10
EXHAUST WELD,(350-6X6)BLK.
1260616-029
Unavailable
15
HEATSHIELD ASM. (Incl. Foam & Foil)
1260717
Unavailable
16
WASHER(10) Substituted by 7558301
7555776
Unavailable
18
BRKT,BLK,HEATSHIELD
5240179-067
Unavailable
20
HEADPIPE WELD.
1260549-029
Unavailable
22
MANIFOLD, BLK.
1260543-029
Unavailable
24
NUT(10)
3080285
Unavailable
