- Partiron
- OEM Parts
- Polaris
- ATV
- 1995
- BIG BOSS 6X6 400L - W958740
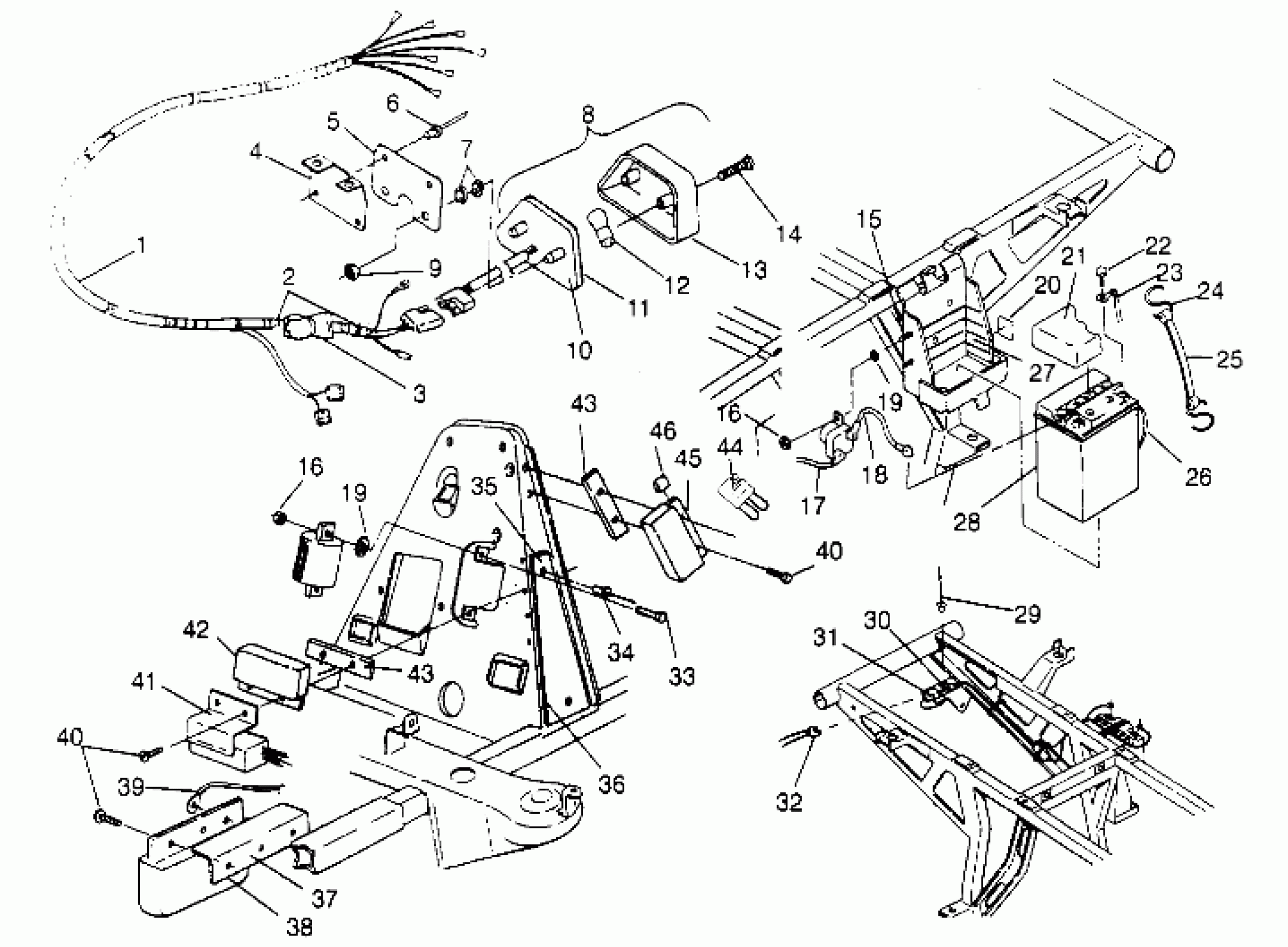
ELECTRICAL/TAILLIGHT ASSEMBLY 6x6 400L, U.S. W958740, SWEDISH S958740 and N (4930273027D003)
Polaris BIG BOSS 6X6 400L - W958740 ELECTRICAL/TAILLIGHT ASSEMBLY 6x6 400L, U.S. W958740, SWEDISH S958740 and N (4930273027D003) Diagram
#
Description
Price
1
HARNESS,MAIN WIRE,(400-6X6)
2460489
Unavailable
4
BRACKET,T/L MOUNT
5240244-067
Unavailable
17
CABLE,SOLENOID/STARTER
4010064
Unavailable
18
CABLE,BATT/SOLENOID,RED
4010094
Unavailable
20
DECAL, BATTERY [No Longer Available]
7072606
Unavailable
23
CABLE,BATT/ENG.,BLK.
4010095
Unavailable
25
STRAP,BATTERY HOLDDOWN
5410424
Unavailable
26
FUEL LINE,1/8 ID,600 CM.
8360009-600
Unavailable
30
CLAMP,BLK,5/16 PLASTIC(10)
7080524
Unavailable
35
BOARD,TERMINAL
4040056
Unavailable
36
SHIELD,TERM.BOARD
5431152
Unavailable
37
HEATSINK RECT.
5131036
Unavailable
38
RECTIFIER,SWITCHING
4060113
Unavailable
39
HARNESS,JUMPER,RECTIFIER
2460485
Unavailable
41
BRKT,CDI(ATV 400)
5240428
Unavailable
42
LIMITER,RPM,350HZ. Substituted by 4060203
4060112
Unavailable
43
HEAT SINK (Euro)
5210650
Unavailable
43
HEAT SINK (Euro)
5210650
Unavailable
44
HARNESS-JUMPER,LIMITER (Euro)
2460509
Unavailable
