- Partiron
- OEM Parts
- Polaris
- ATV
- 1995
- BIG BOSS 6X6 400L - W958740
CRANKCASE and CYLINDER 6x6 400L - U.S. W958740, SWEDISH S958740 and NORWE (4930273027D012)
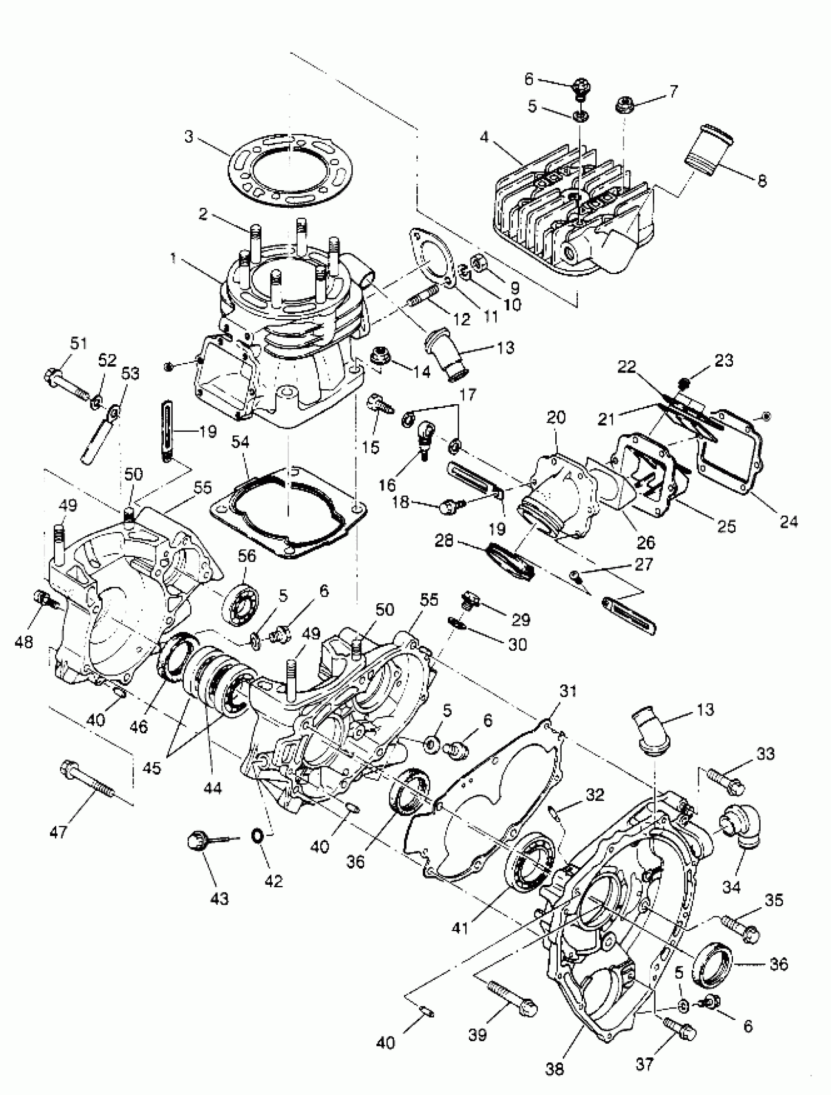
Polaris BIG BOSS 6X6 400L - W958740 CRANKCASE and CYLINDER 6x6 400L - U.S. W958740, SWEDISH S958740 and NORWE (4930273027D012) Diagram
#
1
CYLINDER (Incl. 2, 12, 13)
3084728
Unavailable
2
Stud
3084138
Unavailable
3
GASKET,HEAD (Head)
3084731
Unavailable
4
HEAD, CYLINDER Substituted by 3086755 (Incl. 8)
3084730
Unavailable
6
PLUG, DRAIN
3083767
Unavailable
6
PLUG, DRAIN
3083767
Unavailable
6
PLUG, DRAIN
3083767
Unavailable
6
PLUG, DRAIN
3083767
Unavailable
8
Pipe, Water
3083452
Unavailable
9
NUT(10)
3080285
Unavailable
11
GASKET,EXHAUST Substituted by 3084439
3084017
Unavailable
13
PIPE, 1 ELBOW Substituted by 3086746
3084129
Unavailable
13
PIPE, 1 ELBOW Substituted by 3086746
3084129
Unavailable
15
BOLT-BANJO
3083137
Unavailable
16
VALVE, CHECK
3083894
Unavailable
17
WASHER(10) Substituted by 7555998
3083138
Unavailable
18
BOLT, FLANGE Substituted by 3086759
3084145
Unavailable
20
ADAPTER
3084143
Unavailable
21
VALVE, REED(10)
3240064
Unavailable
22
Stopper
3240065
Unavailable
23
SCREW&WASHER Substituted by 3084565
3240066
Unavailable
24
GASKET, REED VALVE,(10)
3084148
Unavailable
25
VALVE ASM., REED (Incl. 21-23)
3084147
Unavailable
28
BAND ASM. (Incl. 27)
3084144
Unavailable
29
PLUG Substituted by 3086749
3083453
Unavailable
31
GASKET,(CASE 3) Substituted by 3086748
3084727
Unavailable
32
Pipe, Breather
3084128
Unavailable
33
BOLT, FLANGE Substituted by 3086751
3084177
Unavailable
34
PIPE, 2 ELBOW Substituted by 3086747
3084130
Unavailable
35
BOLT, FLANGE ,(10)
3084435
Unavailable
36
Seal, Oil
3084120
Unavailable
36
Seal, Oil
3084120
Unavailable
37
Bolt, Flange
3084126
Unavailable
38
CRANKCASE ASM,#3 Substituted by 3085278 (Incl. 5, 6, 13, 32, 34, 36, 40, 41)
3085081
Unavailable
39
Bolt, Flange
3084134
Unavailable
41
Bearing, Ball
3084131
Unavailable
42
O-Ring
3084733
Unavailable
43
GAUGE, OIL Substituted by 3085517 (Incl. 42)
3084732
Unavailable
46
Seal, Oil
3084725
Unavailable
47
BOLT, FLANGE Substituted by 3086742
3084125
Unavailable
49
Stud
3084118
Unavailable
49
Stud
3084118
Unavailable
53
Clamp
3083384
Unavailable
55
CRANKCASE ASM. Substituted by 3086740 (Incl. 5, 6, 36, 37, 40, 44-47, 49-51, 56)
3084774
Unavailable
55
CRANKCASE ASM. Substituted by 3086740 (Incl. 5, 6, 36, 37, 40, 44-47, 49-51, 56)
3084774
Unavailable
56
Bearing, Ball
3084123
Unavailable
