- Partiron
- OEM Parts
- Polaris
- ATV
- 1998
- BIG BOSS 500 6X6 - W98AE50A
ELECTRICAL/TAILLIGHT - N98AE50D (4946394639d005)
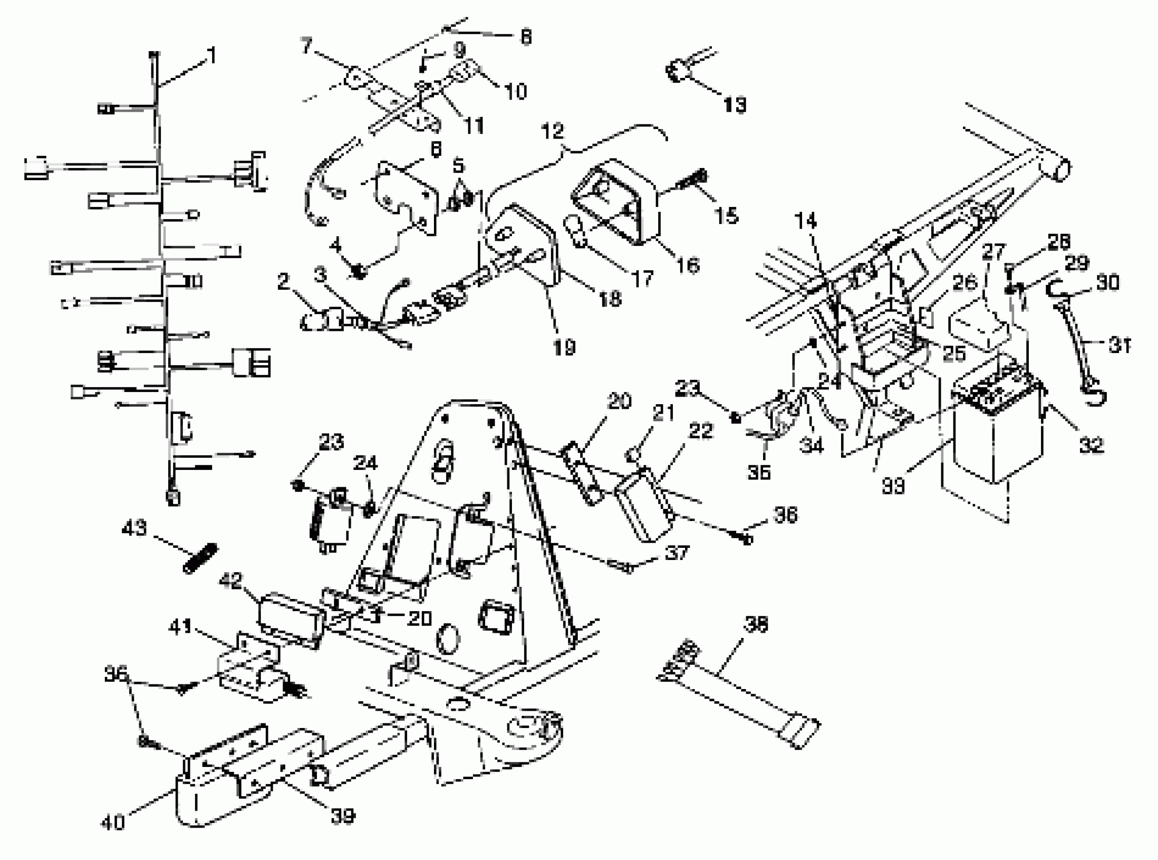
Polaris BIG BOSS 500 6X6 - W98AE50A ELECTRICAL/TAILLIGHT - N98AE50D (4946394639d005) Diagram
#
Description
Price
1
HARNESS,MAINWIRE(MAG6X6)
2460606
Unavailable
7
Bracket, Taillight Mount (See Pg. A8, Ref. 28)
-------
Unavailable
11
CLAMP,BLK,5/16 PLASTIC(10)
7080524
Unavailable
20
HEAT SINK
5210650
Unavailable
20
HEAT SINK
5210650
Unavailable
21
DESC NOT_AVAILABLE
8360012-13
Unavailable
22
LIMITER,SPEED,650HZ,(NOR.) Substituted by 4010248 (Nor)
4060184
Unavailable
26
DECAL, BATTERY [No Longer Available]
7072606
Unavailable
29
CABLE,BATT/ENG.,BLK.
4010095
Unavailable
31
STRAP,BATTERY HOLDDOWN
5410424
Unavailable
34
CABLE,BATT/SOLENOID,RED
4010094
Unavailable
38
HARNESS,ADAPTOR JUMPER (Nor)
2460637
Unavailable
39
HEATSINK RECT.
5131036
Unavailable
40
RECTIFIER,FULL WAVE
4060173
Unavailable
41
BRKT,CDI(ATV 400)
5240428
Unavailable
42
LIMITER,RPM,350HZ,LR44-2
4060204
Unavailable
