- Partiron
- OEM Parts
- Polaris
- ATV
- 1998
- BIG BOSS 500 6X6 - W98AE50A
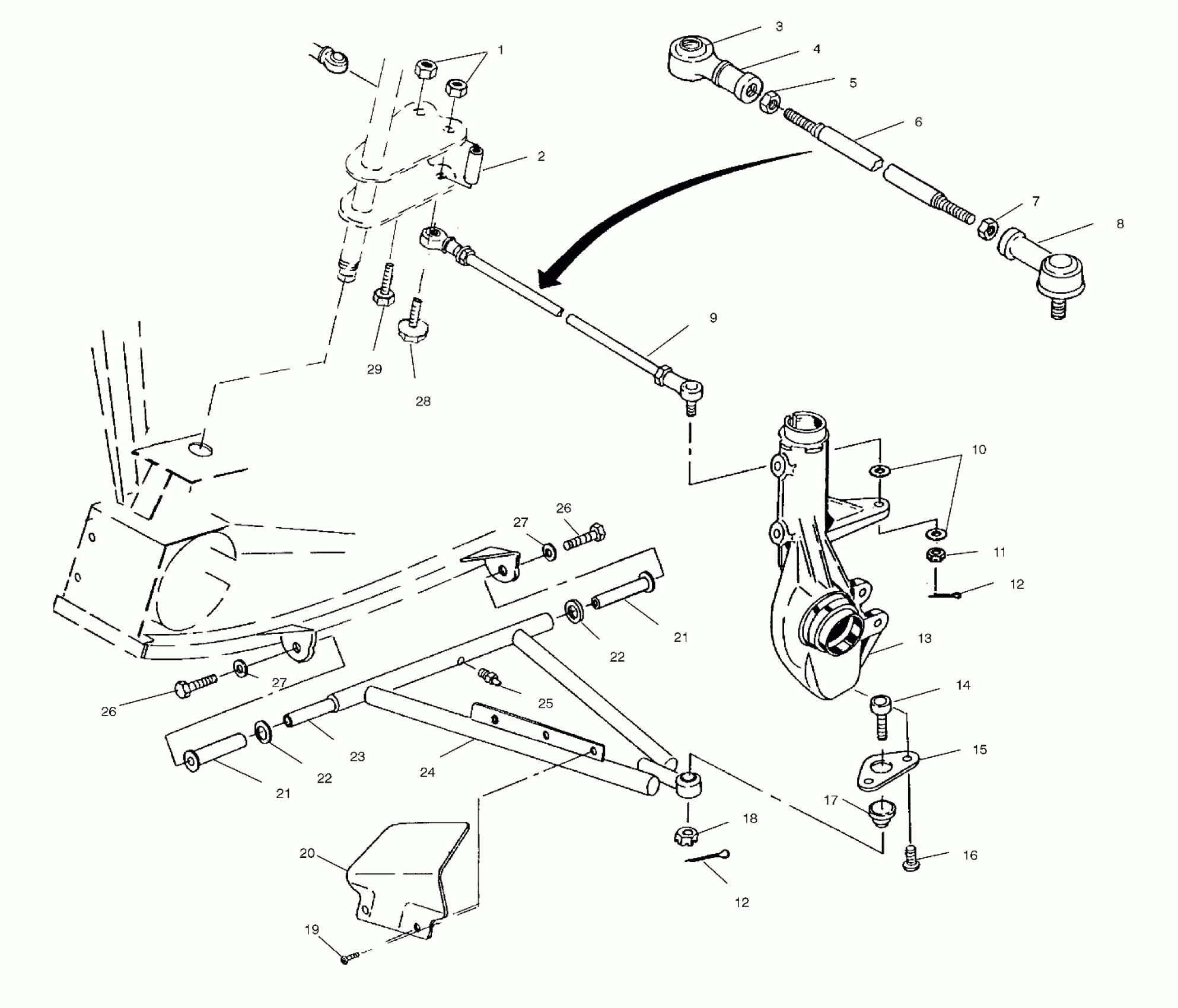
A-ARM/STRUT MOUNTING - S98AE50E (4946394639b012)
Polaris BIG BOSS 500 6X6 - W98AE50A A-ARM/STRUT MOUNTING - S98AE50E (4946394639b012) Diagram
#
Description
Price
3
SEAL,BOOT,ROD END,1/2 IN
5411291
Unavailable
13
Asm., Hubstrut, Service (See Front Strut Pg. B7, Ref. 20))
-------
Unavailable
17
Boot, Rubber
5410548
Unavailable
20
SHIELD,LH CV JOINT Substituted by 5431150-070
5431150
Unavailable
21
BUSHING,A-ARM,LONG. Substituted by 5433066
5431596
Unavailable
21
BUSHING,A-ARM,LONG. Substituted by 5433066
5431596
Unavailable
23
Shaft, A-Arm
5020681
Unavailable
26
BOLT(10) Substituted by 7512492
7515458
Unavailable
26
BOLT(10) Substituted by 7512492
7515458
Unavailable
