- Partiron
- OEM Parts
- Polaris
- ATV
- 1991
- BIG BOSS 4X6 - W918627
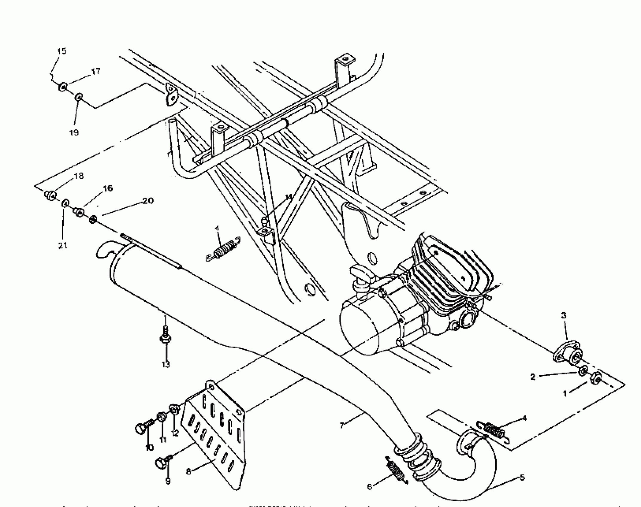
MUFFLER MOUNTING BIG BOSS 4X6 UPDATED 2-91 (4919801980008A)
Polaris BIG BOSS 4X6 - W918627 MUFFLER MOUNTING BIG BOSS 4X6 UPDATED 2-91 (4919801980008A) Diagram
#
Description
Price
1
NUT(10)
3080285
Unavailable
3
MANIFOLD Substituted by 1260543-029
1260543
Unavailable
5
HEADPIPE WELD. Substituted by 1260540-029
1260540
Unavailable
7
MUFFLER/ARRESTOR,BLK.
1260576-029
Unavailable
8
HEATSHIELD,MUFFLER Substituted by 5220671-067
5220671
Unavailable
11
COLLAR
3083732
Unavailable
16
BUSHING, MUFFLER MT.
5020610
Unavailable
17
WASHER(10)
7555743
Unavailable
18
DAMPENER-MTR.MT.
5410326
Unavailable
20
NUT(10)
7542440
Unavailable
21
WASHER(10)
7555829
Unavailable
