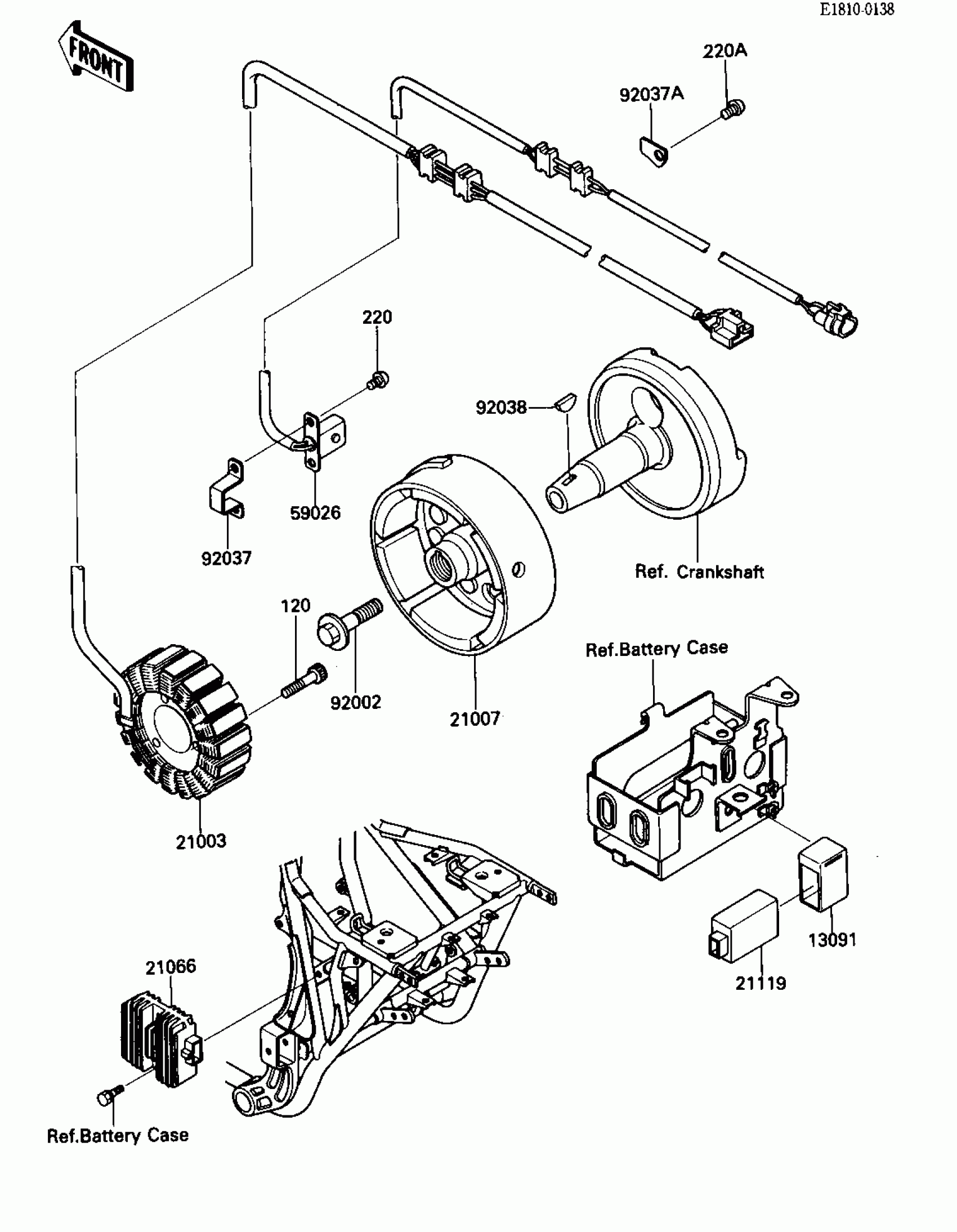
Kawasaki Bayou 300 IGNITION/GENERATOR/REGULATOR Diagram
#
Description
Price
13091
HOLDER
13091-1095
Unavailable
21003
STATOR
21003-1128
Unavailable
21007
ROTOR
21007-1133
Unavailable
220A
SCREW PAN HEAD 6X12
220B0612
Unavailable
