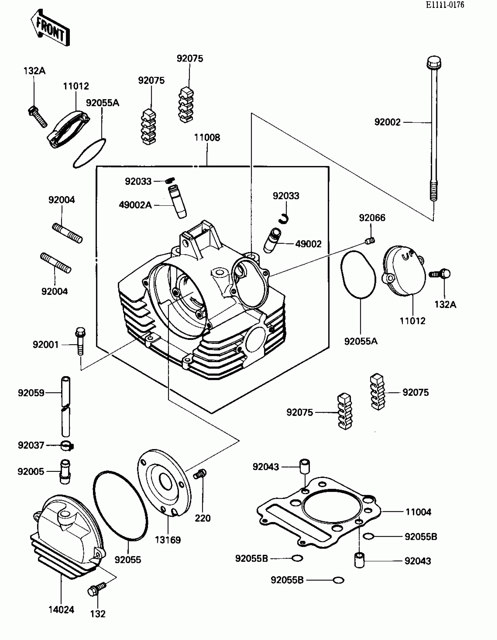
Kawasaki Bayou 300 CYLINDER HEAD Diagram
#
Description
Price
11004
GASKET-HEAD
11004-1136
Unavailable
11008
HEAD-ASSY-CYLINDER
11002-5042
Unavailable
49002A
GUIDE-VALVE,EXHAUST
49002-1002
Unavailable
92002
BOLT,8X233
92002-1515
Unavailable
92059
TUBE,BREATHER
92059-1552
Unavailable
