Partiron

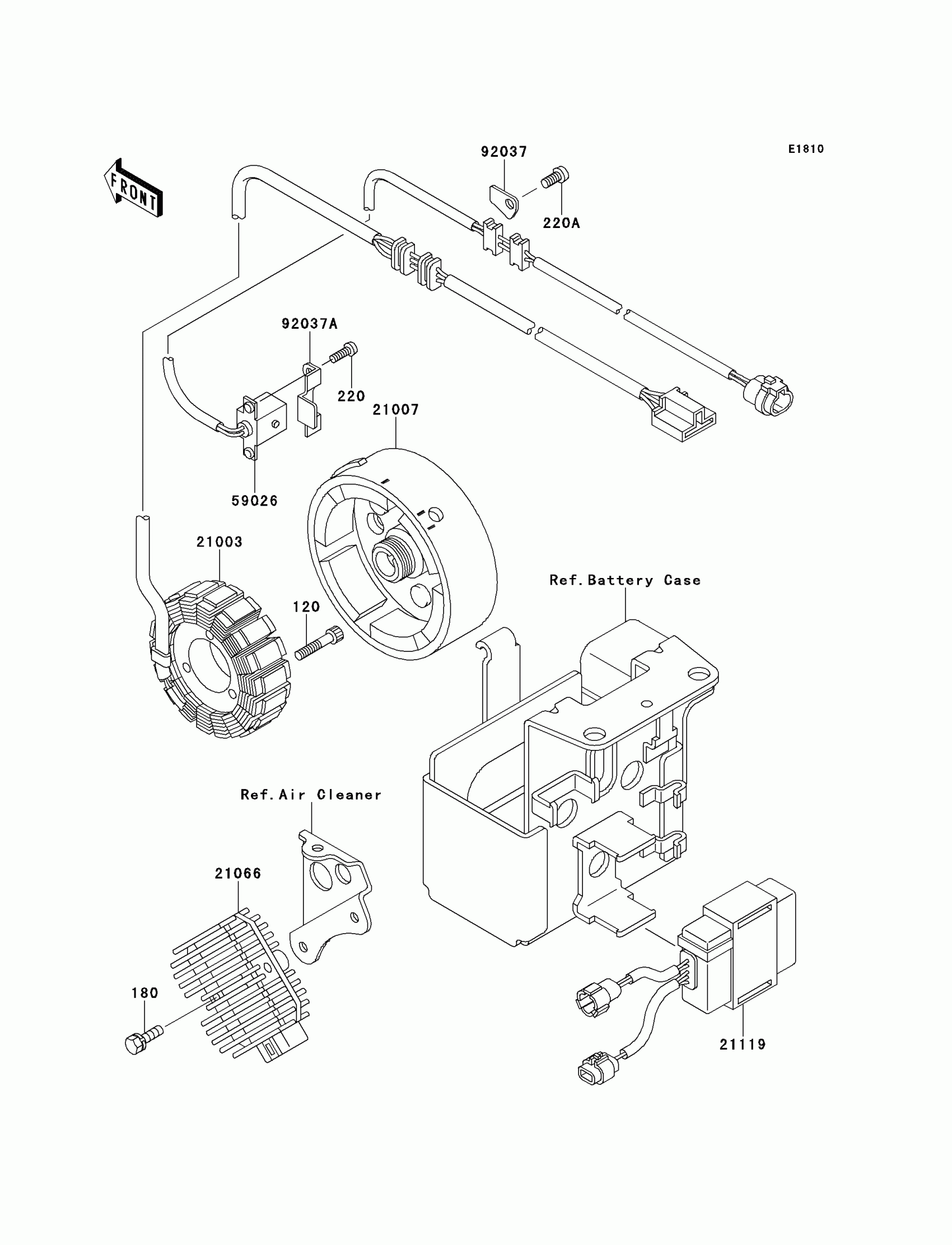
Kawasaki Bayou 300 4X4 Generator Diagram

#

Description
Price

120

BOLT-SOCKET,6X30

120P0630

$5.59

180

BOLT-UPSET-WS

180D0620

$3.00

220

SCREW-PAN-CROS

220B0514

$4.04

220A

SCREW PAN HEAD 6X12

220B0612

Unavailable

21003

STATOR

21003-1276

$609.20

21007

ROTOR

21007-1179

$551.27

21066

REGULATOR-VOLTAGE

21066-1089

$267.49

21119

IGNITER

21119-1369

$577.25

59026

COIL-PULSING

59026-1092

$147.42

92037

CLAMP,WIRING HARNESS

92037-1656

$4.38

92037A

CLAMP

92037-1987

$8.76