- Partiron
- OEM Parts
- Polaris
- ATV
- 2005
- ATP 500 4X4 - A05JD50AA
ENGINE MOUNTING - A05JD50AA/AB/AC (4995189518B01)
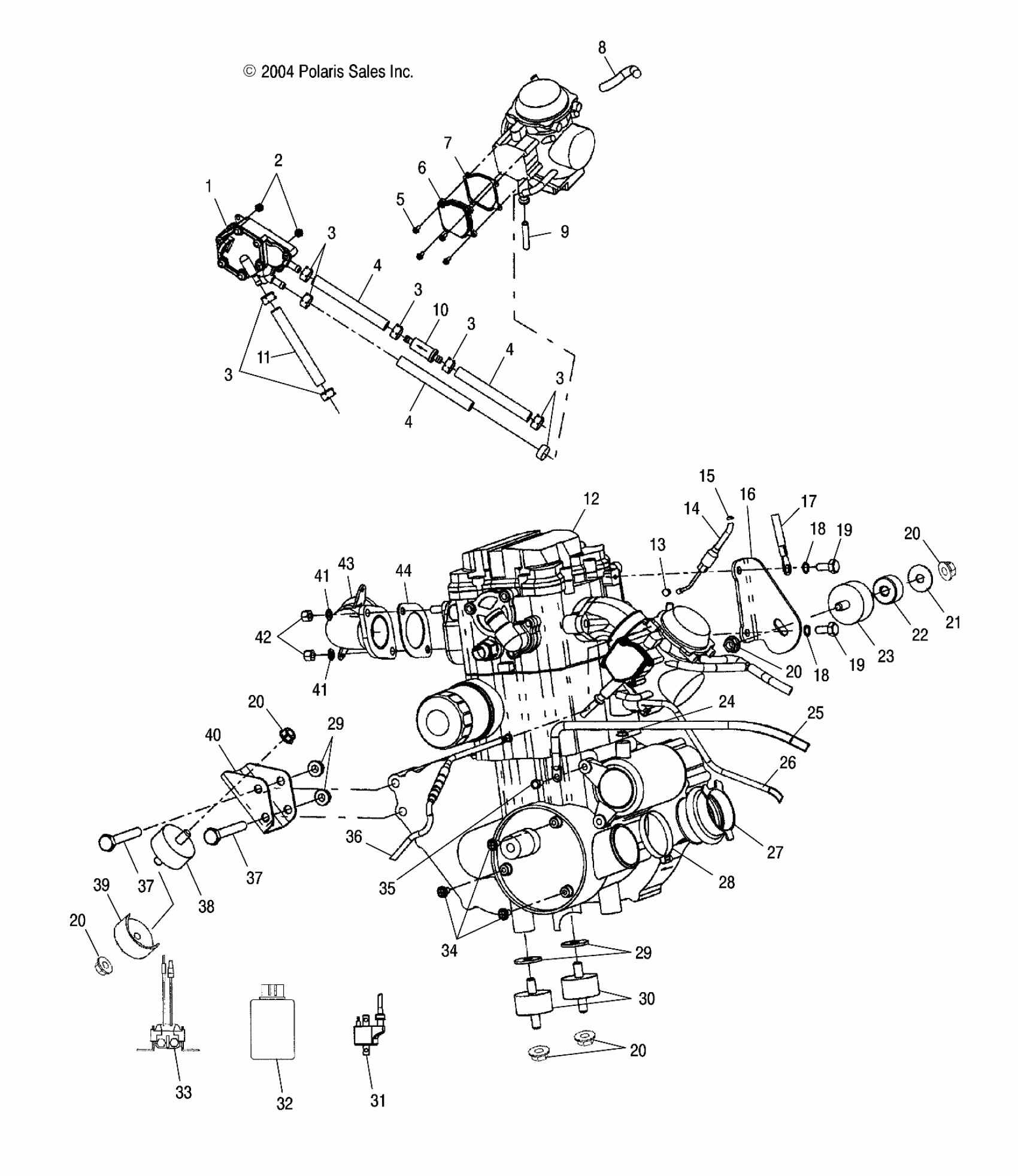
Polaris ATP 500 4X4 - A05JD50AA ENGINE MOUNTING - A05JD50AA/AB/AC (4995189518B01) Diagram
#
Description
Price
4
Line, Fuel
8450103
Unavailable
4
Line, Fuel
8450103
Unavailable
4
Line, Fuel
8450103
Unavailable
8
Line, Fuel
8450003-1525
Unavailable
11
Line, Fuel
8450040-600
Unavailable
12
Engine, Short Block NOTE: The Short Block assembly contains a crankcase assembly, cylinder & cylinder head assembly and a piston & crankshaft assembly. Prior authorization is required for warranty c
3089548
Unavailable
14
Cable, Throttle
7081170
Unavailable
17
Cable, Ground, Engine
4010132
Unavailable
22
Spacer, Motor Mount, Top
5132007
Unavailable
23
Mount, Rubber, Top
3021045
Unavailable
25
Cable, Battery/Engine
4010095
Unavailable
27
Boot, Clutch, Intake
5412487
Unavailable
30
Mount, Rubber, Rear
3021119
Unavailable
31
Asm., Ignition Coil
3089260
Unavailable
33
Switch, Magnetic
3087196
Unavailable
36
Cable, Choke, Friction (If built after 10/04/04)
7081171
Unavailable
38
Mount, Rubber, Top
3110044
Unavailable
42
Nut
3080285
Unavailable
43
Manifold, Black
1260978-489
Unavailable
