- Partiron
- OEM Parts
- Polaris
- ATV
- 2005
- ATP 500 4X4 - A05JD50AA
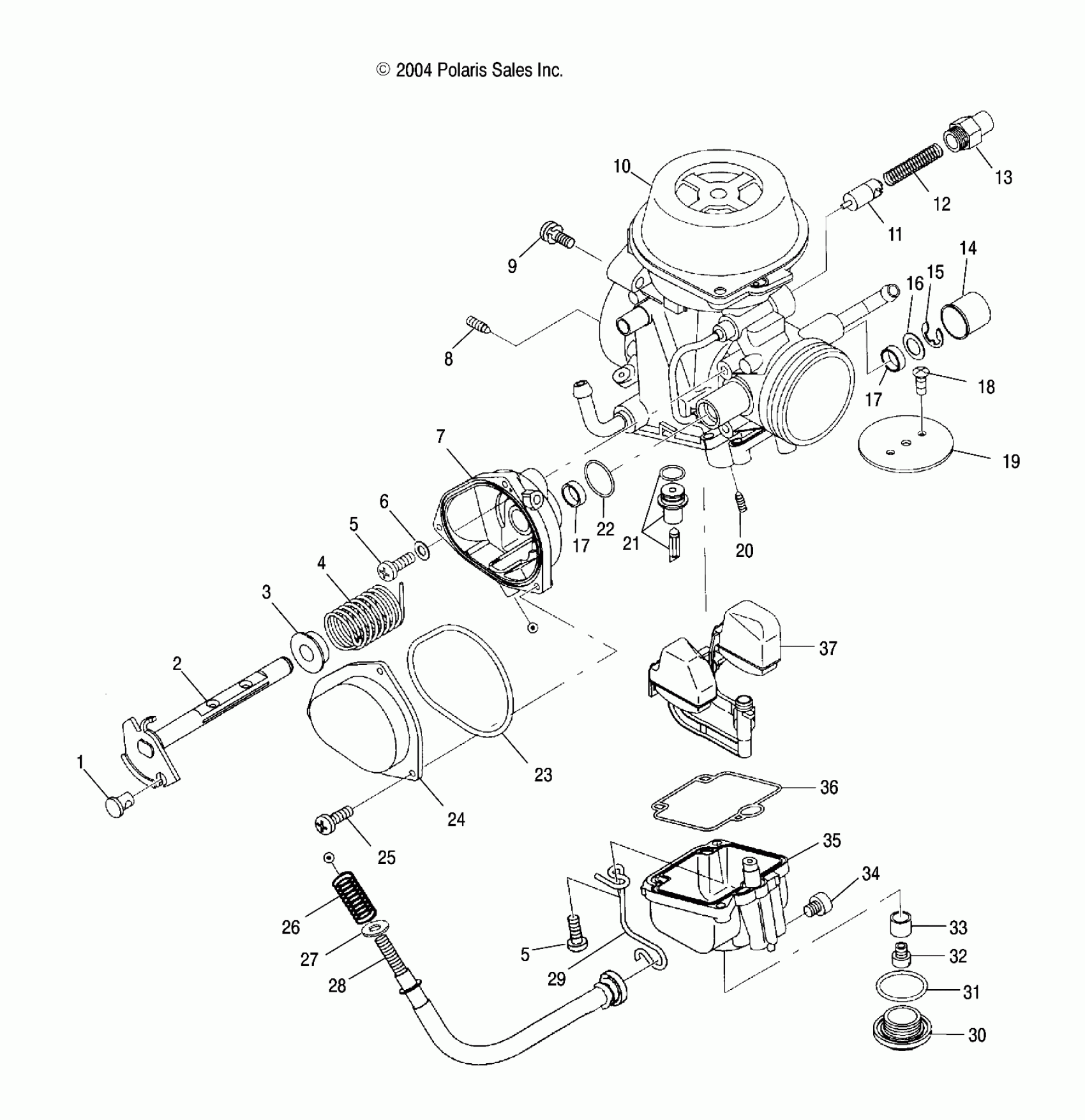
CARBURETOR - A05JD50AA/AB/AC (4995189518D11)
Polaris ATP 500 4X4 - A05JD50AA CARBURETOR - A05JD50AA/AB/AC (4995189518D11) Diagram
#
Description
Price
16
PACKING
-------
Unavailable
28
ASM., ADJUSTER, CABLE
3131295
Unavailable
31
O-RING
3130239
Unavailable
33
RING
3130919
Unavailable
