- Partiron
- OEM Parts
- Honda
- ALL-TERRAIN VEHICLE
- Models With No Year
- ATC90K1A ALL-TERRAIN, JPN, VIN# US90-200001
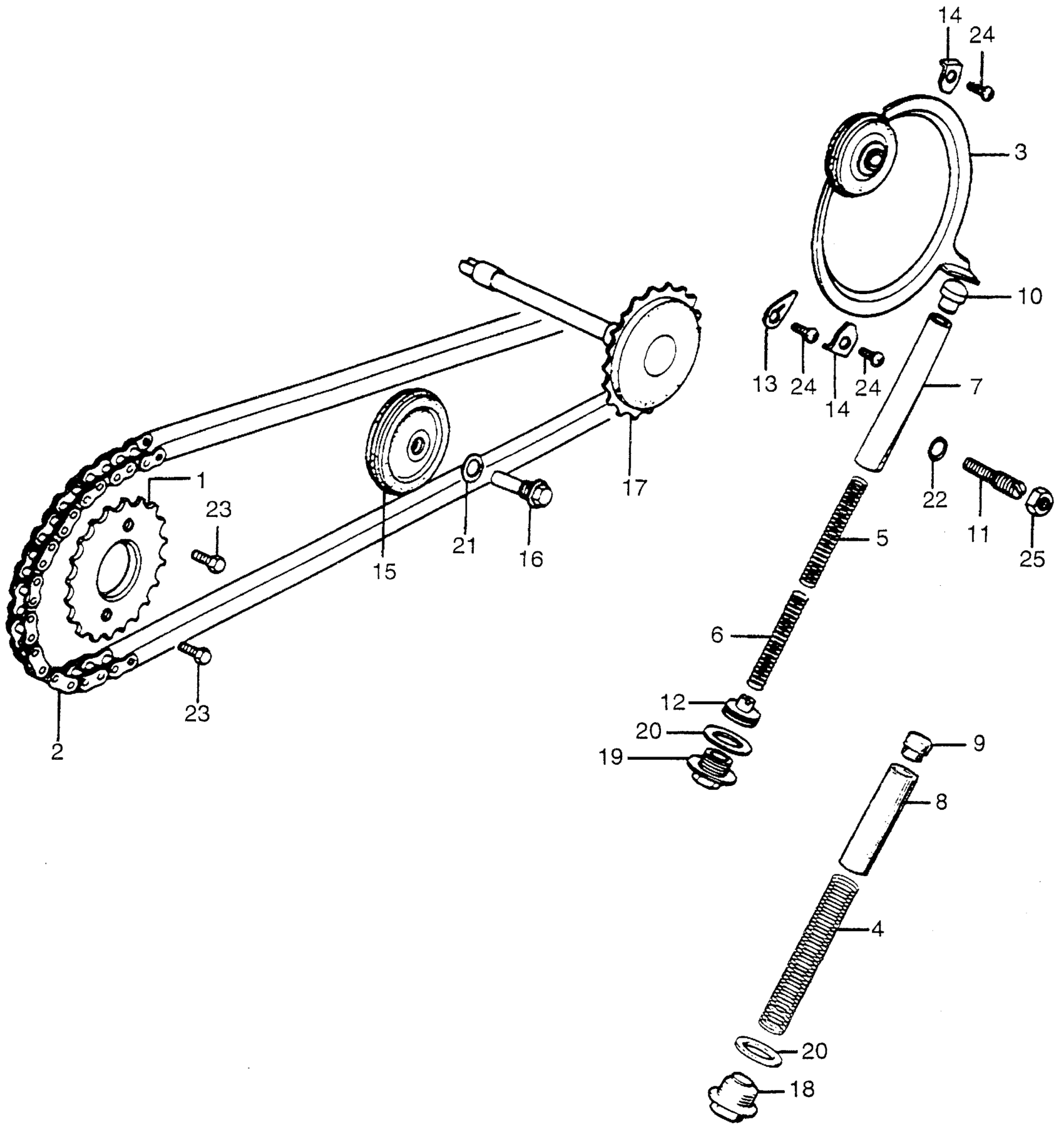
CAM CHAIN + TENSIONER
Honda ATC90K1A ALL-TERRAIN, JPN, VIN# US90-200001 CAM CHAIN + TENSIONER Diagram
#
Description
Price
1
SPROCKET, CAM (30T)
14321-028-000
Unavailable
2
CHAIN, CAM (86L) (DAIDO)
14401-028-003
Unavailable
3
TENSIONER, CAM CHAIN (NOT AVAILABLE)
14500-096-020
Unavailable
5
SPRING A, CAM CHAIN TENSIONER
14541-086-010
Unavailable
7
ROD, CAM CHAIN TENSIONER PUSH
14550-086-010
Unavailable
12
BOLT B, CAM CHAIN TENSIONER ADJUSTING
14562-086-000
Unavailable
13
PLATE A, CAM CHAIN TENSIONER SETTING (NOT AVAILABLE)
14592-028-010
Unavailable
14
PLATE B, CAM CHAIN TENSIONER SETTING
14593-028-010
Unavailable
15
ROLLER, CAM CHAIN GUIDE This part replaces 14610-105-690.
14610-105-691
Unavailable
15
ROLLER, CAM CHAIN GUIDE
14610-105-691
Unavailable
17
SPROCKET, CAM CHAIN GUIDE (29T)
14670-028-000
Unavailable
