- Partiron
- OEM Parts
- Honda
- ALL-TERRAIN VEHICLE
- 1974
- ATC70K1A (74) ALL-TERRAIN VEHICLE (ATV), JPN, VIN# ATC70-1100001
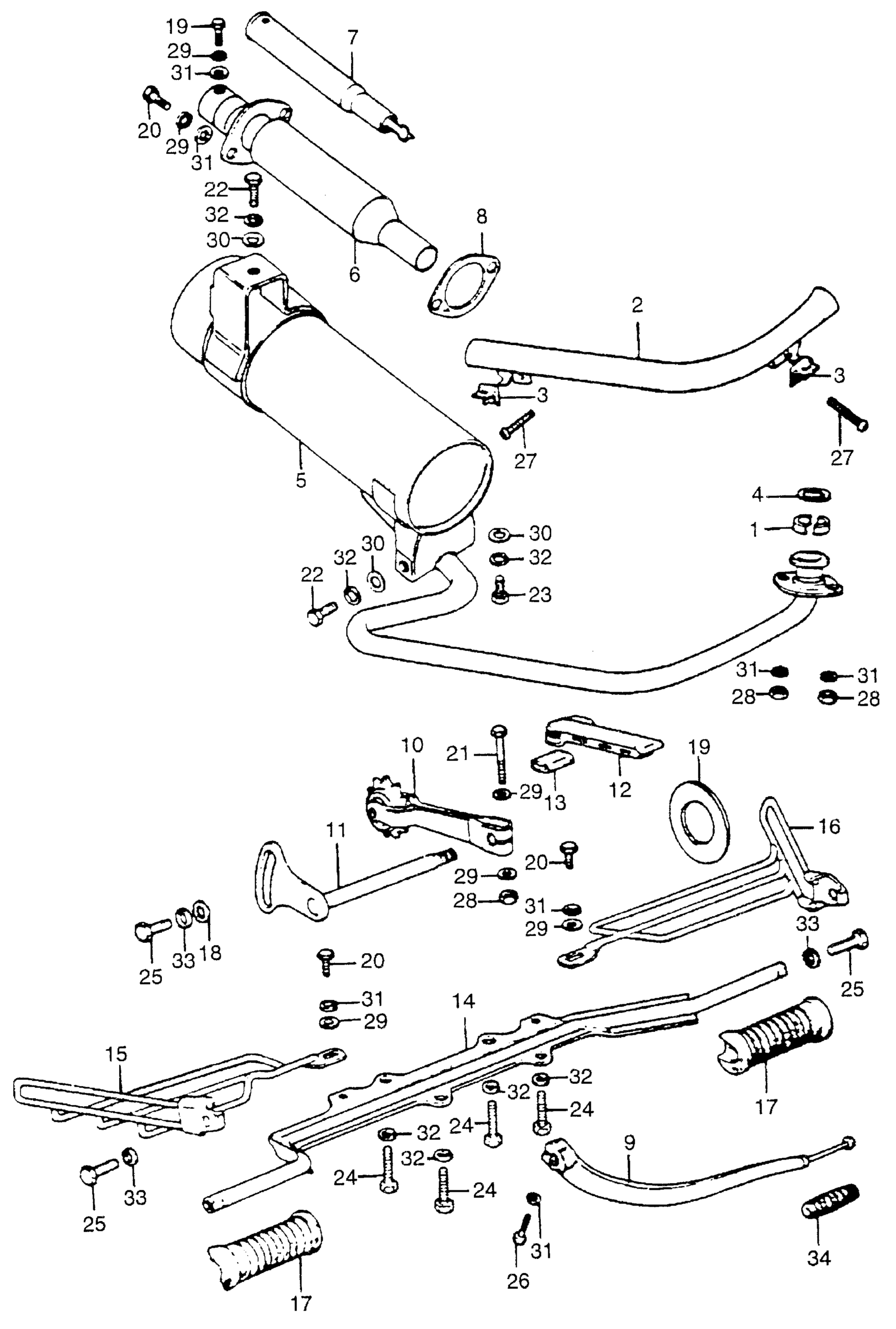
MUFFLER@STEP BAR
Honda ATC70K1A (74) ALL-TERRAIN VEHICLE (ATV), JPN, VIN# ATC70-1100001 MUFFLER@STEP BAR Diagram
#
Description
Price
2
COVER, EX. (NOT AVAILABLE)
18271-937-000
Unavailable
3
BAND B, EX. COVER MOUNT
18272-220-000
Unavailable
5
MUFFLER, EX. (NOT AVAILABLE) This part replaces 18300-937-020.
18300-937-306
Unavailable
5
MUFFLER, EX. (NOT AVAILABLE)
18300-937-306
Unavailable
6
ARRESTER, SPARK (NOT AVAILABLE)
18315-937-000
Unavailable
7
PIPE, DIFFUSER (NOT AVAILABLE)
18330-937-010
Unavailable
8
GASKET, ARRESTER (NOT AVAILABLE)
18374-937-000
Unavailable
9
PEDAL, GEARSHIFT (NOT AVAILABLE)
24700-937-000
Unavailable
10
TENSIONER, CHAIN (NOT AVAILABLE)
40500-918-000
Unavailable
11
SHAFT, TENSIONER (NOT AVAILABLE)
40510-937-000
Unavailable
12
SLIDER, CHAIN (UPPER) (NOT AVAILABLE)
40526-937-000
Unavailable
13
SLIDER, CHAIN (LOWER) (NOT AVAILABLE)
40528-937-000
Unavailable
14
BAR, STEP *NH1* (BLACK) (NOT AVAILABLE)
50610-937-010B
Unavailable
15
GUARD, R. STEP *NH1* (BLACK)
50620-937-020B
Unavailable
16
GUARD, L. STEP *NH1* (BLACK) (NOT AVAILABLE)
50630-937-010B
Unavailable
17
RUBBER, STEP (NOT AVAILABLE)
50661-937-000
Unavailable
18
EMBLEM, RECOIL STARTER (NOT AVAILABLE)
87101-937-000
Unavailable
25
BOLT, HEX. (10X20) (SOURCE: VINTAGE PARTS INC.) This part replaces 92000-10020-0A.
92101-10020-0A
Unavailable
