- Partiron
- OEM Parts
- Honda
- ALL-TERRAIN VEHICLE
- 1974
- ATC70K1A (74) ALL-TERRAIN VEHICLE (ATV), JPN, VIN# ATC70-1100001
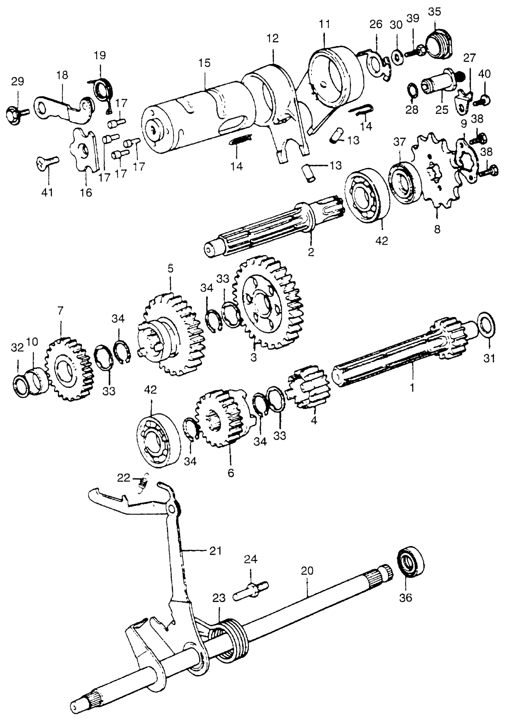
GEARSHIFT@TRANSMISSION
Honda ATC70K1A (74) ALL-TERRAIN VEHICLE (ATV), JPN, VIN# ATC70-1100001 GEARSHIFT@TRANSMISSION Diagram
#
1
MAINSHAFT, TRANSMISSION (11T)
23211-041-020
Unavailable
2
COUNTERSHAFT, TRANSMISSION This part replaces 23221-041-040.
23221-041-050
Unavailable
2
COUNTERSHAFT, TRANSMISSION
23221-041-050
Unavailable
3
GEAR, COUNTERSHAFT LOW (36T) (NOT AVAILABLE) This part replaces 23421-086-000.
23421-086-010
Unavailable
3
GEAR, COUNTERSHAFT LOW (36T) (NOT AVAILABLE)
23421-086-010
Unavailable
4
GEAR, MAINSHAFT SECOND (18T)
23431-040-060
Unavailable
5
GEAR, COUNTERSHAFT SECOND (31T) This part replaces 23441-086-000.
23441-086-010
Unavailable
5
GEAR, COUNTERSHAFT SECOND (31T) (NOT AVAILABLE)
23441-086-010
Unavailable
6
GEAR, MAINSHAFT TOP (21T) (NOT AVAILABLE)
23471-041-040
Unavailable
7
GEAR, COUNTERSHAFT THIRD (25T) This part replaces 23481-086-000.
23481-086-010
Unavailable
7
GEAR, COUNTERSHAFT THIRD (25T) (NOT AVAILABLE)
23481-086-010
Unavailable
10
COLLAR, GEAR This part replaces 23911-041-010.
23911-041-020
Unavailable
10
COLLAR, GEAR (SOURCE: VINTAGE PARTS INC.)
23911-041-020
Unavailable
15
DRUM, GEARSHIFT This part replaces 24301-045-670.
24301-045-673
Unavailable
15
DRUM, GEARSHIFT This part replaces 24301-045-671.
24301-045-673
Unavailable
15
DRUM, GEARSHIFT This part replaces 24301-045-672.
24301-045-673
Unavailable
15
DRUM, GEARSHIFT (NOT AVAILABLE)
24301-045-673
Unavailable
16
PLATE, GEARSHIFT DRUM STOPPER (NOT AVAILABLE)
24411-041-020
Unavailable
18
STOPPER, GEARSHIFT DRUM This part replaces 24430-041-000.
24430-041-010
Unavailable
18
STOPPER, GEARSHIFT DRUM
24430-041-010
Unavailable
19
SPRING, GEARSHIFT DRUM STOPPER This part replaces 24435-GB2-000.
24435-GB2-710
Unavailable
19
SPRING, GEARSHIFT DRUM STOPPER (NOT AVAILABLE)
24435-GB2-710
Unavailable
19
SPRING, GEARSHIFT DRUM STOPPER This part replaces 24435-040-000.
24435-GB2-710
Unavailable
21
ARM, GEARSHIFT This part replaces 24630-086-000.
24630-086-030
Unavailable
21
ARM, GEARSHIFT This part replaces 24630-086-010.
24630-086-030
Unavailable
21
ARM, GEARSHIFT This part replaces 24630-086-020.
24630-086-030
Unavailable
26
ROTOR, NEUTRAL SWITCH
35753-035-010
Unavailable
27
PLATE, CONTACT FIXING
35755-001-020
Unavailable
28
O-RING (7X1.6) (NOT AVAILABLE)
37551-001-000
Unavailable
32
WASHER (13.5MM) (NOT AVAILABLE)
90451-035-000
Unavailable
