- Partiron
- OEM Parts
- Honda
- ALL-TERRAIN VEHICLE
- 1974
- ATC70K1A (74) ALL-TERRAIN VEHICLE (ATV), JPN, VIN# ATC70-1100001
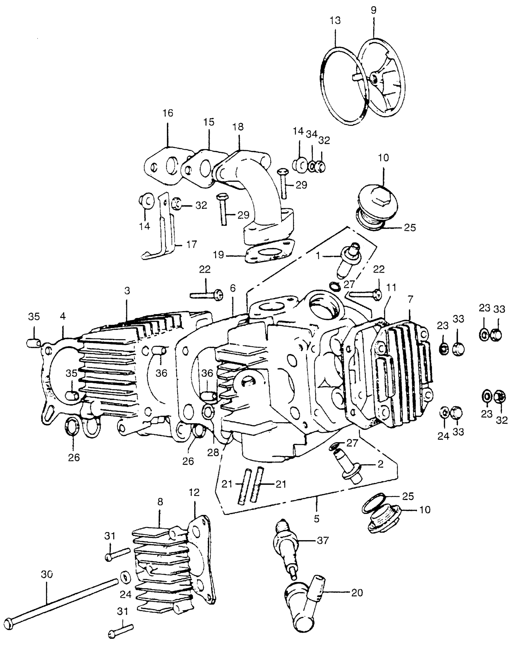
CYLINDER@CYLINDER HEAD COVER@INLET PIPE
Honda ATC70K1A (74) ALL-TERRAIN VEHICLE (ATV), JPN, VIN# ATC70-1100001 CYLINDER@CYLINDER HEAD COVER@INLET PIPE Diagram
#
Description
Price
1
GUIDE, VALVE This part replaces 12021-035-811.
12023-035-405
Unavailable
2
GUIDE, EX. VALVE (NOT AVAILABLE)
12023-051-320
Unavailable
5
CYLINDER HEAD This part replaces 12200-087-010.
12200-087-305
Unavailable
6
GASKET, CYLINDER HEAD This part replaces 12251-087-000.
12251-111-505
Unavailable
6
GASKET, CYLINDER HEAD This part replaces 12251-111-730.
12251-111-505
Unavailable
7
COVER, CYLINDER HEAD (NOT AVAILABLE)
12301-035-000
Unavailable
8
COVER, R. CYLINDER HEAD SIDE
12331-035-000
Unavailable
10
CAP, VALVE ADJ. This part replaces 12361-035-000.
12361-300-000
Unavailable
10
CAP, VALVE ADJ.
12361-300-000
Unavailable
10
CAP, VALVE ADJ. This part replaces 12361-371-980.
12361-300-000
Unavailable
14
RING, INSULATOR (NOT AVAILABLE)
16196-040-004
Unavailable
17
CLAMP, FUEL TUBE (NOT AVAILABLE)
16236-128-000
Unavailable
18
PIPE, INLET (NOT AVAILABLE)
17111-937-000
Unavailable
