- Partiron
- OEM Parts
- Honda
- ALL-TERRAIN VEHICLE
- Models With No Year
- ATC70A ALL-TERRAIN, JPN, VIN# ATC70-1000001
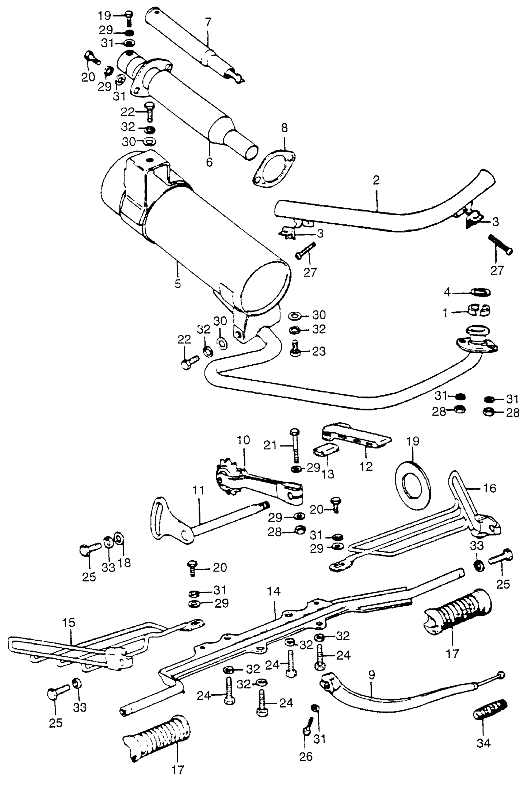
MUFFLER + STEP BAR
Honda ATC70A ALL-TERRAIN, JPN, VIN# ATC70-1000001 MUFFLER + STEP BAR Diagram
#
Description
Price
2
COVER, EX. (NOT AVAILABLE)
18271-937-000
Unavailable
3
BAND B, EX. COVER MOUNT
18272-220-000
Unavailable
5
MUFFLER, EX. (NOT AVAILABLE) | Use up to Frame SN 1004649 This part replaces 18300-937-000.
18300-937-305
Unavailable
5
MUFFLER, EX. (NOT AVAILABLE) This part replaces 18300-937-010.
18300-937-305
Unavailable
5
MUFFLER, EX. (NOT AVAILABLE)
18300-937-305
Unavailable
6
PIPE, DIFFUSER (NOT AVAILABLE)
18330-937-000
Unavailable
7
LID, MUFFLER This part replaces 18373-310-000.
18373-446-010
Unavailable
7
LID, MUFFLER This part replaces 18373-446-000.
18373-446-010
Unavailable
7
LID, MUFFLER
18373-446-010
Unavailable
8
GASKET, MUFFLER
18374-KR8-900
Unavailable
8
GASKET, MUFFLER This part replaces 18374-310-000.
18374-KR8-900
Unavailable
9
PEDAL, GEARSHIFT (NOT AVAILABLE)
24700-937-000
Unavailable
10
TENSIONER, CHAIN (NOT AVAILABLE)
40500-918-000
Unavailable
11
SHAFT, TENSIONER (NOT AVAILABLE)
40510-937-000
Unavailable
12
SLIDER, CHAIN (UPPER) (NOT AVAILABLE)
40526-937-000
Unavailable
13
SLIDER, CHAIN (LOWER) (NOT AVAILABLE)
40528-937-000
Unavailable
14
BAR, STEP *NH1* (BLACK) (NOT AVAILABLE)
50610-937-010B
Unavailable
15
GUARD, R. STEP *NH1* (BLACK) | Use up to Frame SN 1003604 This part replaces 50620-937-010B.
50620-937-020B
Unavailable
15
GUARD, R. STEP *NH1* (BLACK) | Use up to Frame SN 1003604
50620-937-020B
Unavailable
16
GUARD, L. STEP *NH1* (BLACK) (NOT AVAILABLE) | Use up to Frame SN 1003604 This part replaces 50630-937-000B.
50630-937-010B
Unavailable
16
GUARD, L. STEP *NH1* (BLACK) (NOT AVAILABLE)
50630-937-010B
Unavailable
17
RUBBER, STEP (NOT AVAILABLE)
50661-937-000
Unavailable
18
EMBLEM, RECOIL STARTER (NOT AVAILABLE)
87101-937-000
Unavailable
23
BOLT, HEX. (6X110) (SOURCE: VINTAGE PARTS INC.)
92000-06110
Unavailable
25
BOLT, HEX. (10X20) (SOURCE: VINTAGE PARTS INC.) This part replaces 92000-10020-0A.
92101-10020-0A
Unavailable
25
BOLT, HEX. (10X20) (SOURCE: VINTAGE PARTS INC.)
92101-10020-0A
Unavailable
