- Partiron
- OEM Parts
- Honda
- ALL-TERRAIN VEHICLE
- 1983
- ATC70A (83) ALL TERRAIN CYCLE, JPN, VIN# JH3TB030-DC800006 TO JH3TB030-DC827275
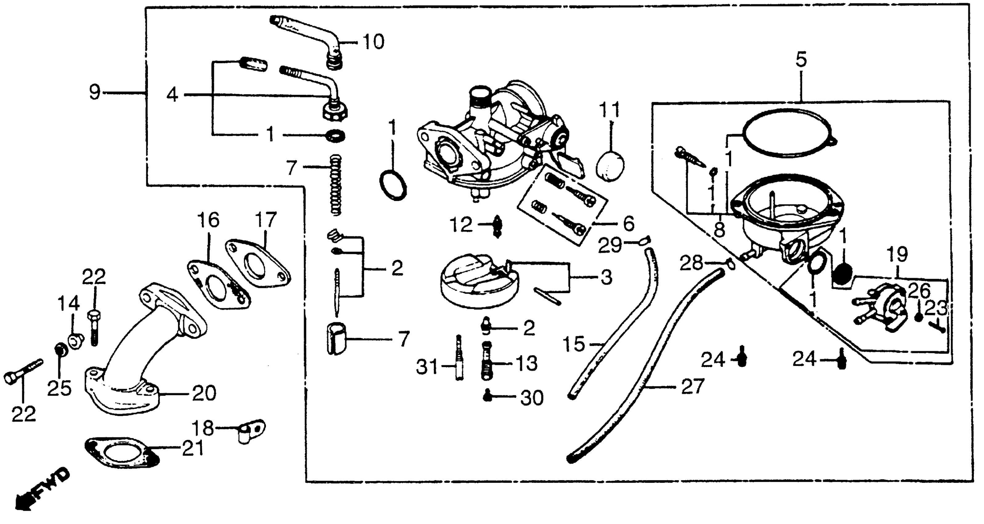
CARBURETOR
Honda ATC70A (83) ALL TERRAIN CYCLE, JPN, VIN# JH3TB030-DC800006 TO JH3TB030-DC827275 CARBURETOR Diagram
#
Description
Price
4
TOP SET This part replaces 16014-086-700.
16014-086-305
Unavailable
4
TOP SET This part replaces 16014-141-841.
16014-086-305
Unavailable
5
CHAMBER SET, FLOAT This part replaces 16015-086-701.
16015-086-702
Unavailable
5
CHAMBER SET, FLOAT
16015-086-702
Unavailable
6
SCREW SET
16016-086-700
Unavailable
7
VALVE SET, THROTTLE (NOT AVAILABLE)
16022-957-003
Unavailable
10
CAP, CABLE SEALING
16118-121-014
Unavailable
13
HOLDER, NEEDLE JET
16165-098-770
Unavailable
14
RING, INSULATOR (NOT AVAILABLE)
16196-040-004
Unavailable
20
PIPE, INLET
17111-957-003
Unavailable
30
JET, MAIN (#58)
99101-116-0580
Unavailable
