- Partiron
- OEM Parts
- Honda
- ALL-TERRAIN VEHICLE
- 1985
- ATC250RA (85) ALL TERRAIN CYCLE, JPN, VIN# JH3TB060-FC400019 TO JH3TB060-FC426863
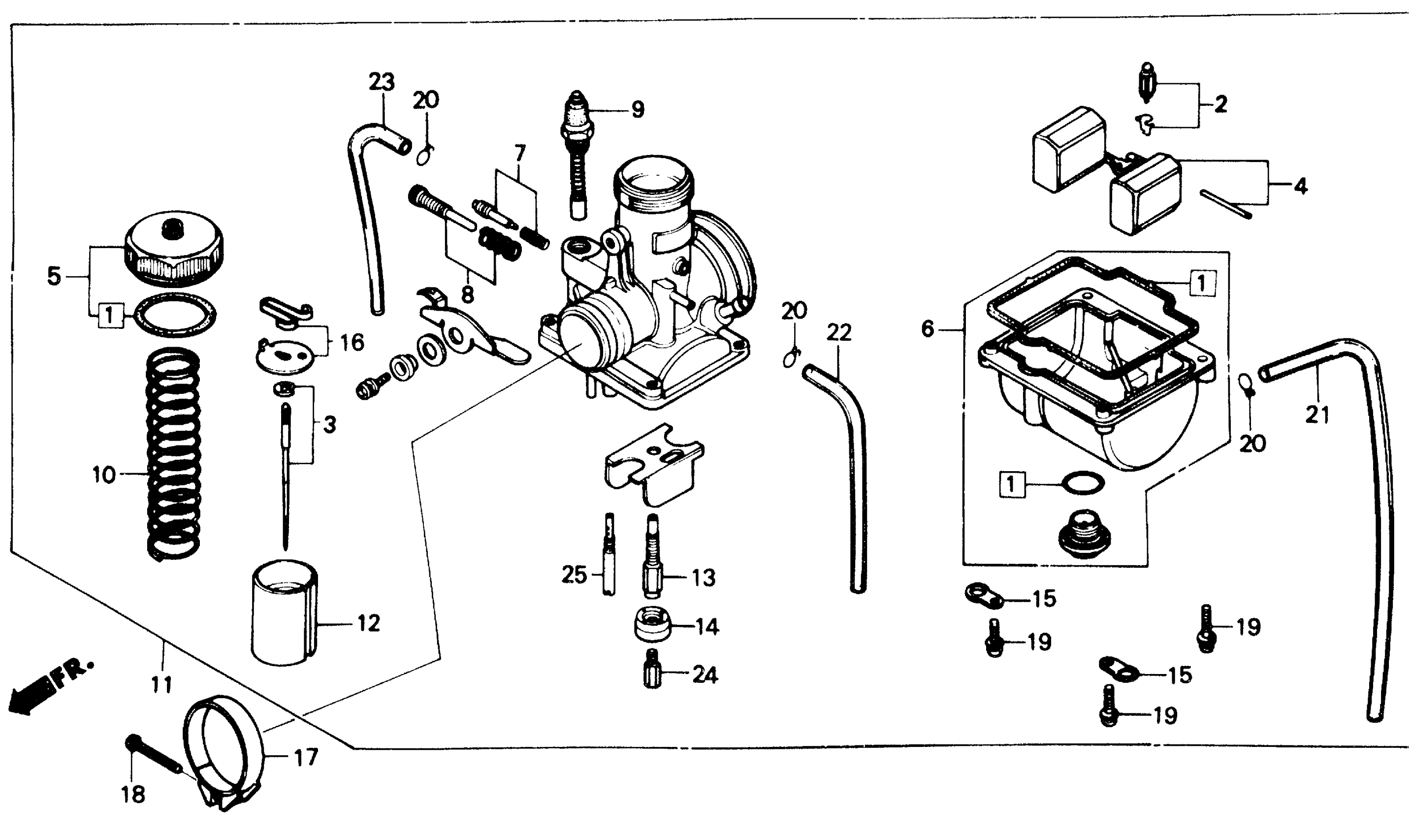
CARBURETOR 85
Honda ATC250RA (85) ALL TERRAIN CYCLE, JPN, VIN# JH3TB060-FC400019 TO JH3TB060-FC426863 CARBURETOR 85 Diagram
#
Description
Price
3
NEEDLE SET, JET
16012-HA2-004
Unavailable
5
TOP SET (NOT AVAILABLE) This part replaces 16014-HA2-004.
16014-KA3-701
Unavailable
6
CHAMBER SET, FLOAT
16015-VM0-004
Unavailable
7
SCREW SET
16016-HA2-004
Unavailable
8
SCREW SET (NOT AVAILABLE)
16028-VM0-004
Unavailable
9
VALVE SET, STARTER This part replaces 16046-KAE-010.
16046-KAE-730
Unavailable
9
VALVE SET, STARTER This part replaces 16046-KAE-870.
16046-KAE-730
Unavailable
9
VALVE SET, STARTER This part replaces 16046-KA3-004.
16046-KAE-730
Unavailable
10
SPRING, COMPRESSION COIL
16050-HA2-004
Unavailable
11
CARBURETOR ASSY. (NOT AVAILABLE)
16100-HA2-004
Unavailable
12
VALVE, THROTTLE
16111-HA2-004
Unavailable
13
NEEDLE, JET (NOT AVAILABLE) This part replaces 16164-KA5-004.
16164-HE0-670
Unavailable
14
HOLDER, JET
16168-KA5-004
Unavailable
15
BINDER
16179-428-671
Unavailable
16
PLATE SET (NOT AVAILABLE)
16212-KA3-701
Unavailable
17
BAND, INSULATOR
16223-KA3-740
Unavailable
25
JET, SLOW (#52)
99103-441-0520
Unavailable
