- Partiron
- OEM Parts
- Honda
- ALL-TERRAIN VEHICLE
- 1983
- ATC250RA (83) ALL TERRAIN CYCLE, JPN, VIN# JH3TB060-DC200030 TO JH3TB060-DC214814
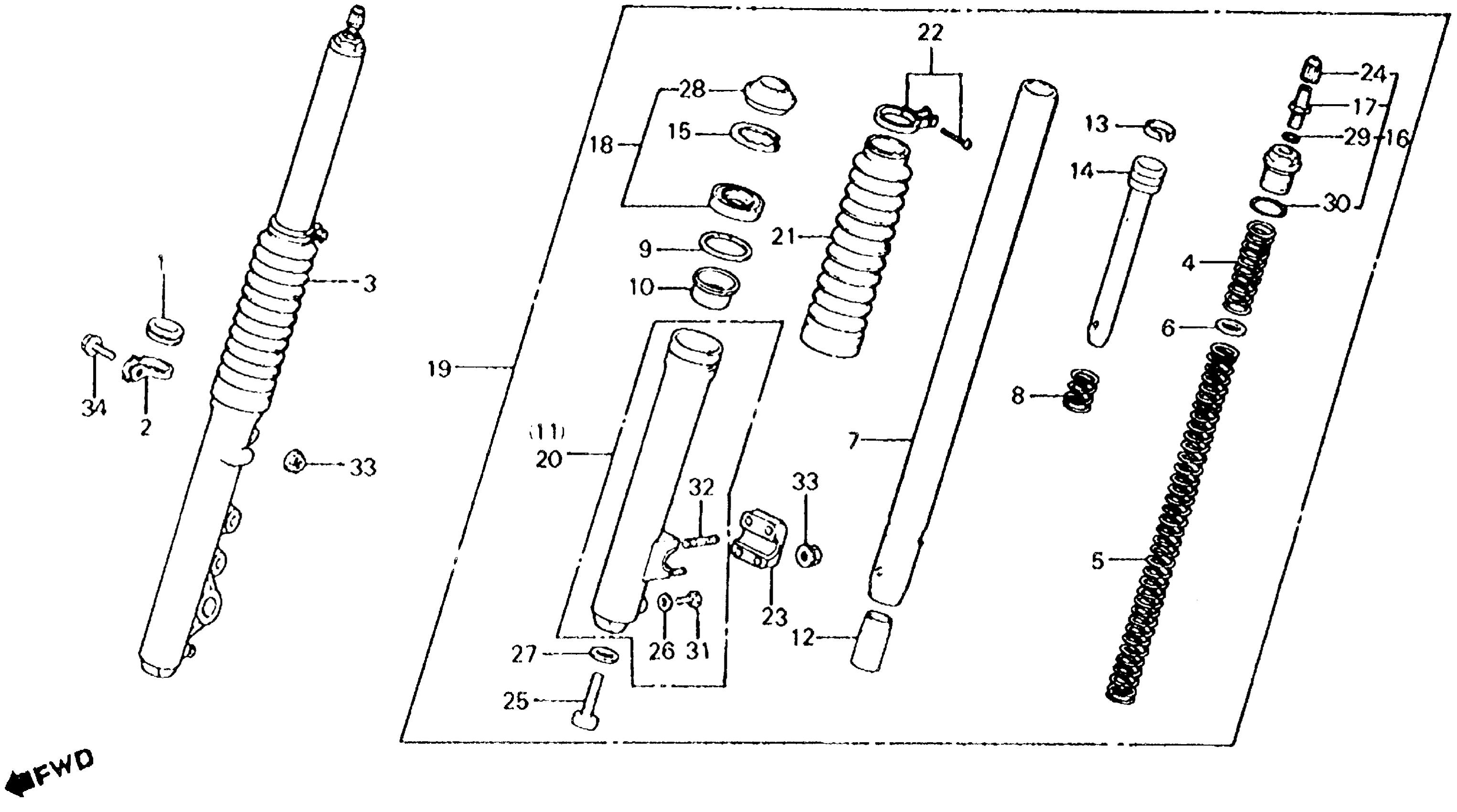
FRONT FORK 83-84
Honda ATC250RA (83) ALL TERRAIN CYCLE, JPN, VIN# JH3TB060-DC200030 TO JH3TB060-DC214814 FRONT FORK 83-84 Diagram
#
Description
Price
2
GUIDE A, BRAKE CABLE (NOT AVAILABLE)
45467-428-000
Unavailable
3
FORK ASSY., R. FR. (NOT AVAILABLE)
51400-964-003
Unavailable
4
SPRING A, FR. FORK
51401-964-003
Unavailable
5
SPRING B, FR. FORK (NOT AVAILABLE)
51402-964-003
Unavailable
6
SEAT, SPRING (NOT AVAILABLE)
51403-KA2-681
Unavailable
7
PIPE, FR. FORK (NOT AVAILABLE)
51410-964-003
Unavailable
8
SPRING, REBOUND (NOT AVAILABLE)
51412-KA2-681
Unavailable
11
CASE, R. (LOWER) (NOT AVAILABLE)
51420-964-003
Unavailable
12
PIECE, OIL LOCK (NOT AVAILABLE)
51432-MA6-003
Unavailable
13
RING, PISTON
51437-KA2-681
Unavailable
14
PIPE, SEAT
51440-964-003
Unavailable
16
BOLT ASSY., FR. FORK (NOT AVAILABLE)
51450-KB7-003
Unavailable
19
FORK ASSY., L. FR. (NOT AVAILABLE)
51500-964-003
Unavailable
20
CASE, L. (LOWER)
51520-964-003
Unavailable
21
BOOT, FR. FORK
51611-429-771
Unavailable
