- Partiron
- OEM Parts
- Honda
- ALL-TERRAIN VEHICLE
- 1983
- ATC250RA (83) ALL TERRAIN CYCLE, JPN, VIN# JH3TB060-DC200030 TO JH3TB060-DC214814
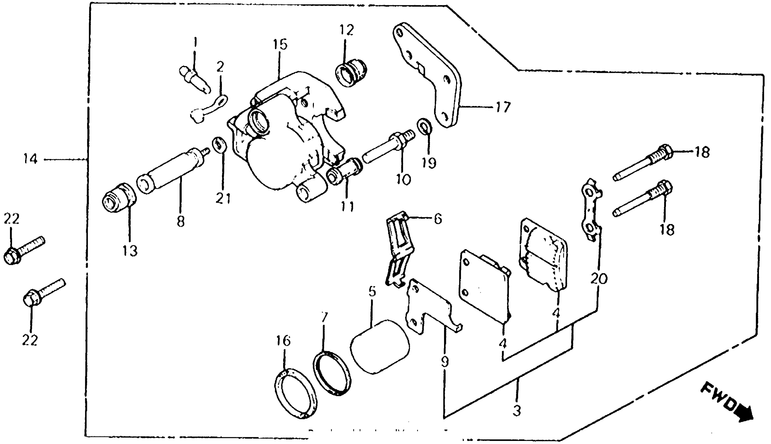
FRONT BRAKE CALIPER 83-84
Honda ATC250RA (83) ALL TERRAIN CYCLE, JPN, VIN# JH3TB060-DC200030 TO JH3TB060-DC214814 FRONT BRAKE CALIPER 83-84 Diagram
#
Description
Price
4
PAD (SEE KIT P/N-451A0-965-670) (NOT AVAILABLE)
45105-961-006
Unavailable
14
CALIPER ASSY., FR. (NOT AVAILABLE)
45200-965-006
Unavailable
15
CALIPER
45201-KC6-016
Unavailable
15
CALIPER This part replaces 45201-965-006.
45201-KC6-016
Unavailable
17
BRACKET (NOT AVAILABLE)
45210-965-006
Unavailable
