- Partiron
- OEM Parts
- Honda
- ALL-TERRAIN VEHICLE
- 1986
- ATC200SA (86) ALL TERRAIN CYCLE, JPN, VIN# JH3TB053-GK500006
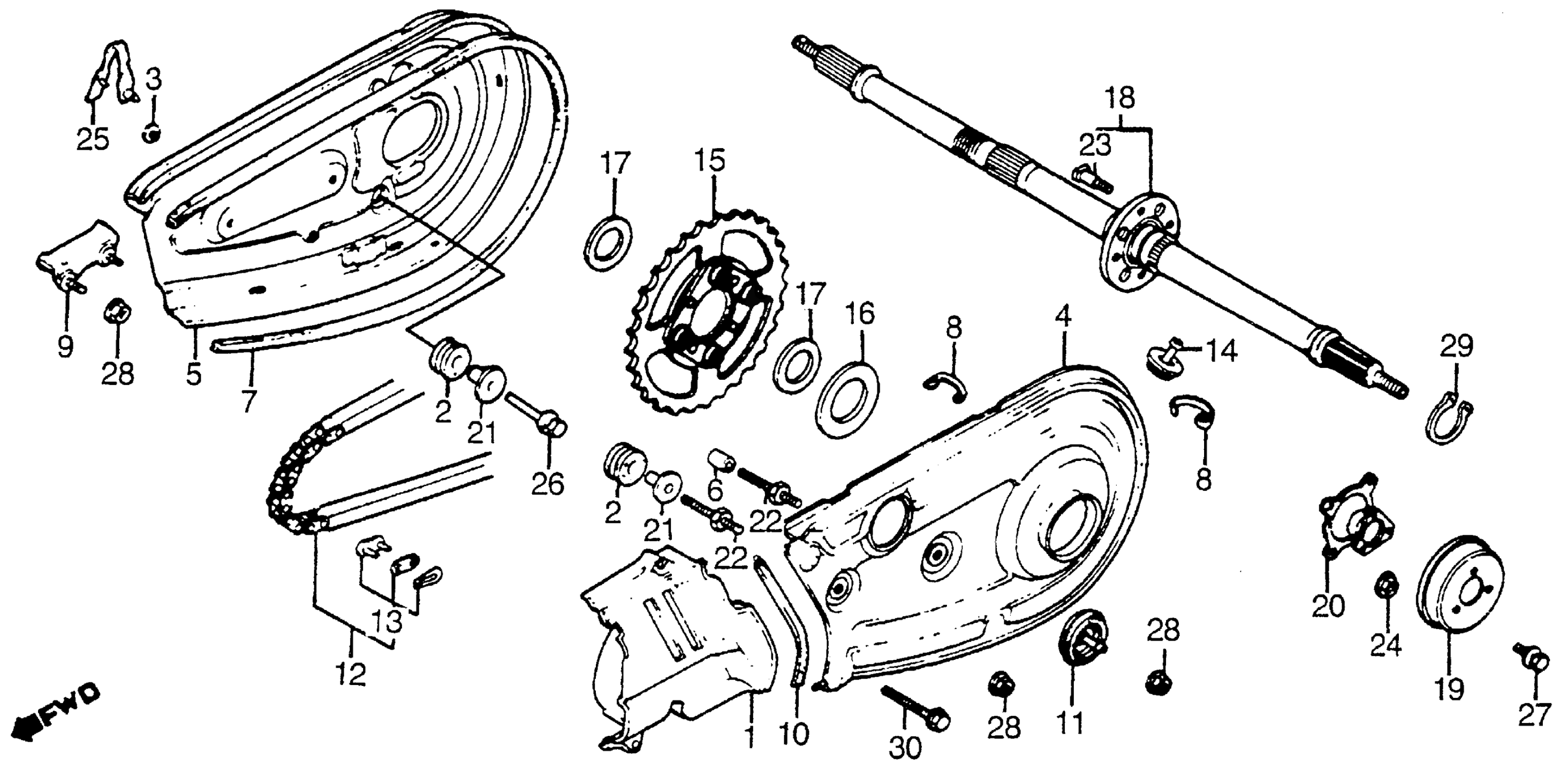
REAR WHEEL AXLE + CHAIN GUARD
Honda ATC200SA (86) ALL TERRAIN CYCLE, JPN, VIN# JH3TB053-GK500006 REAR WHEEL AXLE + CHAIN GUARD Diagram
#
Description
Price
1
COVER, L. RR. CRANKCASE
11361-958-000
Unavailable
4
CASE, CHAIN (OUTER) (NOT AVAILABLE)
40521-VM4-000
Unavailable
5
CASE, INSIDE CHAIN (NOT AVAILABLE)
40522-VM4-000
Unavailable
6
COLLAR, CHAIN GUARD (NOT AVAILABLE)
40523-958-000
Unavailable
7
SEAL, INSIDE CHAIN GUARD (NOT AVAILABLE)
40524-958-670
Unavailable
8
SPRING, CHAIN GUARD SETTING
40525-969-680
Unavailable
9
GUIDE, CHAIN (NOT AVAILABLE)
40526-958-000
Unavailable
10
SEAL, CHAIN GUARD (OUTER) (NOT AVAILABLE)
40527-958-000
Unavailable
11
CAP, CHAIN
40529-958-010
Unavailable
12
CHAIN, DRIVE (NOT AVAILABLE)
405W3-HB9-505
Unavailable
12
CHAIN, DRIVE (NOT AVAILABLE) This part replaces 40530-VM4-000.
405W3-HB9-505
Unavailable
13
MASTER LINK (DAIDO)
40531-HB5-671
Unavailable
13
MASTER LINK (DAIDO) This part replaces 40531-958-671.
40531-HB5-671
Unavailable
14
CAP, CHAIN
40545-958-000
Unavailable
15
SPROCKET, FINAL DRIVEN (43T)
41200-VM4-000
Unavailable
16
RING, SPROCKET SIDE (NOT AVAILABLE)
41205-961-000
Unavailable
17
DUST SEAL, SPROCKET
41206-961-000
Unavailable
18
AXLE, RR. WHEEL (NOT AVAILABLE)
42310-VM4-680
Unavailable
19
PLATE, SHIELD (NOT AVAILABLE)
42327-958-000
Unavailable
20
FLANGE, SHIELD
42330-958-671
Unavailable
21
COLLAR, RR. FENDER
61105-428-000
Unavailable
22
BOLT, SPECIAL (6X22) (NOT AVAILABLE)
90102-958-000
Unavailable
23
BOLT, SPROCKET FIXING
90128-961-000
Unavailable
25
STRAP B, CABLE (125MM) (BLUE)
90669-671-003
Unavailable
29
CIRCLIP (OUTER) (42MM)
94511-42000
Unavailable
