- Partiron
- OEM Parts
- Honda
- ALL-TERRAIN VEHICLE
- 1986
- ATC200SA (86) ALL TERRAIN CYCLE, JPN, VIN# JH3TB053-GK500006
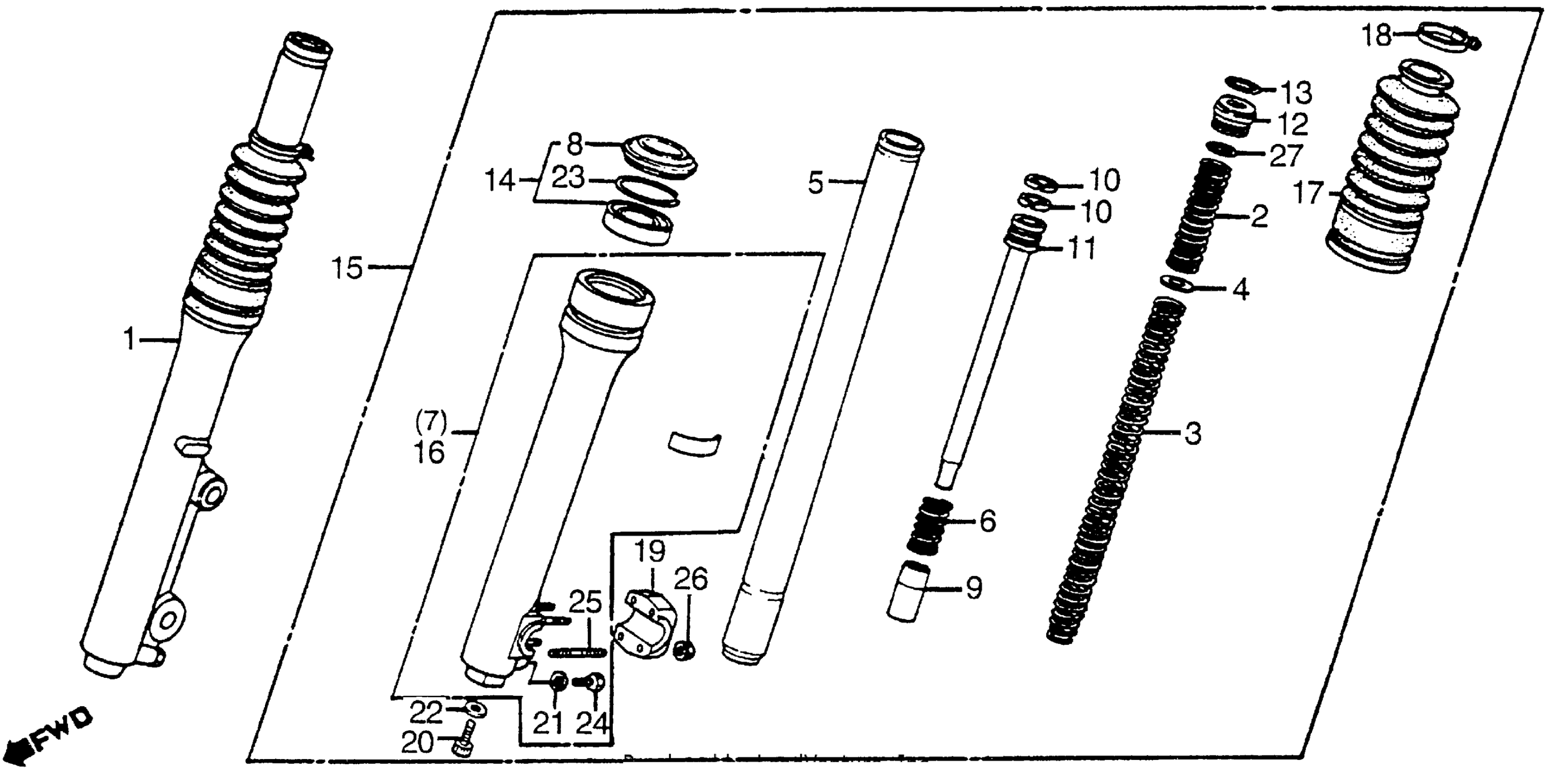
FRONT SHOCK ABSORBER
Honda ATC200SA (86) ALL TERRAIN CYCLE, JPN, VIN# JH3TB053-GK500006 FRONT SHOCK ABSORBER Diagram
#
Description
Price
1
SHOCK ABSORBER ASSY., R. FR.
51400-VM4-003
Unavailable
2
SPRING, FR. FORK (NOT AVAILABLE)
51401-958-003
Unavailable
3
SPRING B, FR. FORK
51402-VM4-003
Unavailable
4
PLATE, SPRING JOINT (NOT AVAILABLE)
51403-961-003
Unavailable
5
PIPE, FR. FORK (NOT AVAILABLE)
51410-VM4-003
Unavailable
7
CASE, R. (LOWER)
51420-958-672
Unavailable
11
PIPE, SEAT
51440-958-003
Unavailable
12
SEAT B, SPRING (NOT AVAILABLE)
51454-958-003
Unavailable
15
SHOCK ABSORBER ASSY., L. FR.
51500-VM4-003
Unavailable
16
CASE, L. (LOWER) (NOT AVAILABLE)
51520-958-672
Unavailable
17
BOOT, FR. FORK
51611-958-003
Unavailable
