- Partiron
- OEM Parts
- Honda
- ALL-TERRAIN VEHICLE
- 1983
- ATC185SA (83) ALL TERRAIN CYCLE, JPN, VIN# JH3TB010-DC300013
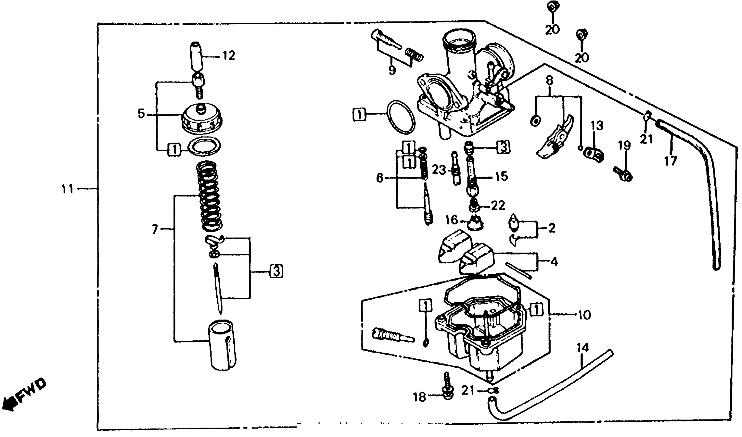
CARBURETOR
Honda ATC185SA (83) ALL TERRAIN CYCLE, JPN, VIN# JH3TB010-DC300013 CARBURETOR Diagram
#
Description
Price
3
NEEDLE SET, JET
16012-958-014
Unavailable
5
TOP SET This part replaces 16014-364-770.
16014-397-971
Unavailable
7
VALVE SET, THROTTLE This part replaces 16022-364-770.
16022-397-651
Unavailable
7
VALVE SET, THROTTLE This part replaces 16022-397-631.
16022-397-651
Unavailable
7
VALVE SET, THROTTLE
16022-397-651
Unavailable
7
VALVE SET, THROTTLE This part replaces 16022-439-004.
16022-397-651
Unavailable
8
LEVER SET, CHOKE
16025-440-004
Unavailable
10
CHAMBER SET, FLOAT
16045-399-014
Unavailable
11
CARBURETOR ASSY. (NOT AVAILABLE) This part replaces 16100-958-063.
16100-958-073
Unavailable
11
CARBURETOR ASSY. (NOT AVAILABLE)
16100-958-073
Unavailable
