- Partiron
- OEM Parts
- Honda
- ALL-TERRAIN VEHICLE
- 1983
- ATC110A (83) ALL TERRAIN CYCLE, JPN, VIN# JH3TB020-DC400008 TO JH3TB020-DC453423
CARBURETOR 79-83
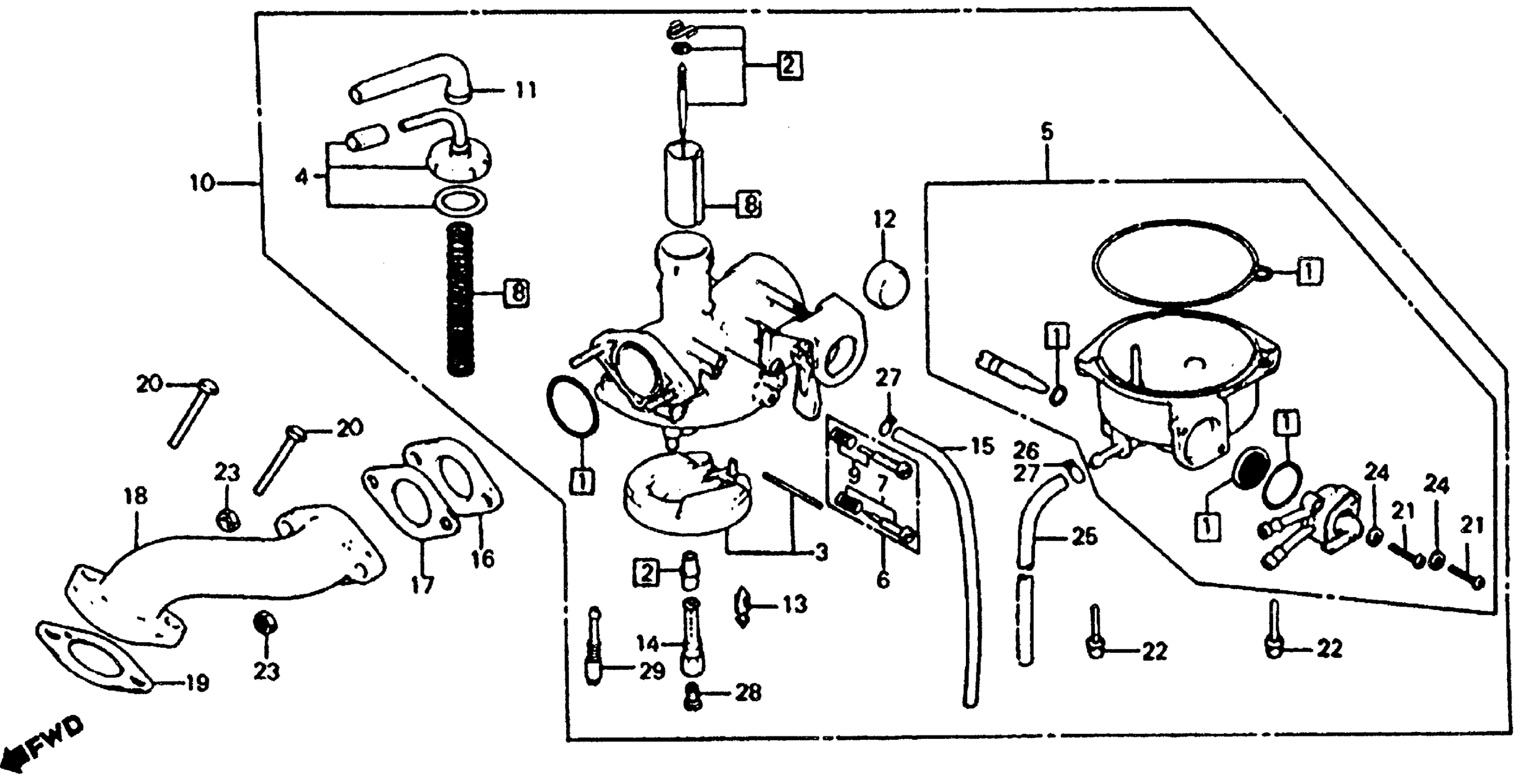
Honda ATC110A (83) ALL TERRAIN CYCLE, JPN, VIN# JH3TB020-DC400008 TO JH3TB020-DC453423 CARBURETOR 79-83 Diagram
#
Description
Price
2
NEEDLE SET, JET
16012-943-003
Unavailable
4
TOP SET
16014-943-801
Unavailable
4
TOP SET This part replaces 16014-943-003.
16014-943-801
Unavailable
5
CHAMBER SET, FLOAT This part replaces 16015-086-701.
16015-086-702
Unavailable
5
CHAMBER SET, FLOAT
16015-086-702
Unavailable
7
SCREW SET A
16016-459-761
Unavailable
8
VALVE SET, THROTTLE (NOT AVAILABLE)
16022-943-003
Unavailable
10
CARBURETOR ASSY. (NOT AVAILABLE) This part replaces 16100-943-033.
16100-943-043
Unavailable
10
CARBURETOR ASSY. (NOT AVAILABLE)
16100-943-043
Unavailable
11
CAP, CABLE SEALING
16118-121-014
Unavailable
14
HOLDER, NEEDLE JET (NOT AVAILABLE)
16165-943-013
Unavailable
15
TUBE, AIR VENT (NOT AVAILABLE)
16199-943-003
Unavailable
18
PIPE, INLET (NOT AVAILABLE)
17111-943-000
Unavailable
25
TUBE, OVERFLOW (NOT AVAILABLE)
16199-428-771
Unavailable
