- Partiron
- OEM Parts
- Suzuki
- Motorcycle
- 2015
- AN650L5 (2015)
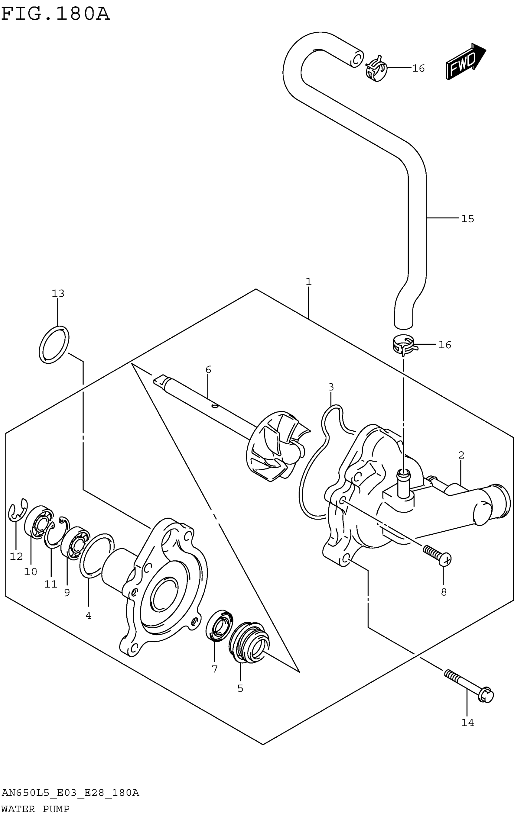
WATER PUMP
Suzuki AN650L5 (2015) WATER PUMP Diagram
#
Description
Price
11
CIRCLIP This part replaces 08331-41209.
08331-41206
Unavailable
