- Partiron
- OEM Parts
- Suzuki
- Motorcycle
- 2015
- AN650L5 (2015)
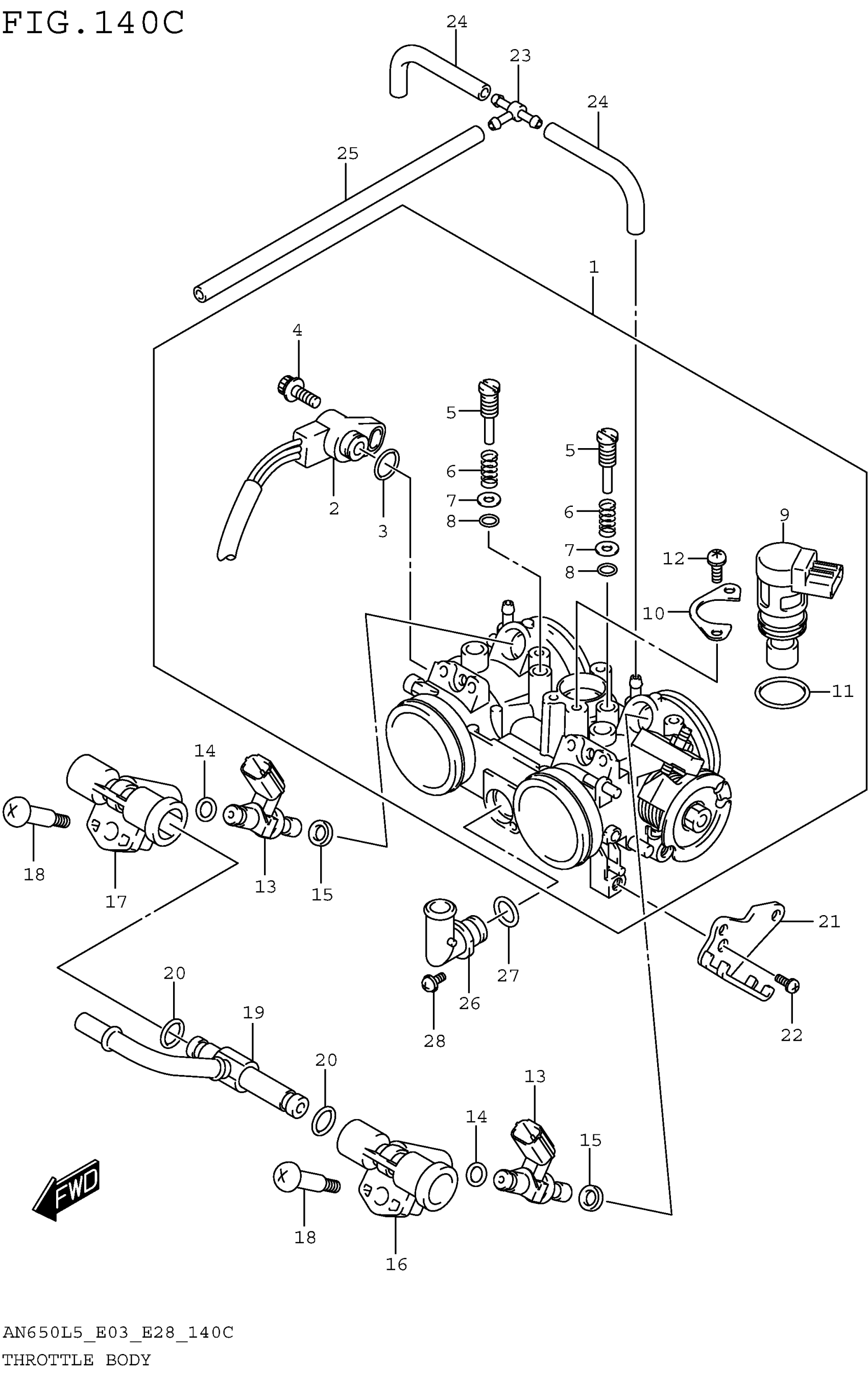
THROTTLE BODY (AN650ZL5 E28)
Suzuki AN650L5 (2015) THROTTLE BODY (AN650ZL5 E28) Diagram
#
Description
Price
6
SPRING
13271-43E00
Unavailable
10
PLATE, ISC VALVE
13428-15H00
Unavailable
16
JOINT
13471-26J00
Unavailable
17
JOINT
13471-26J10
Unavailable
19
FUEL PIPE
13473-10G00
Unavailable
21
PLATE
13565-10G20
Unavailable
22
SCREW
13601-10G00
Unavailable
24
HOSE (3X7X65)
13683-10G00
Unavailable
25
HOSE (3X7X220)
13683-10G10
Unavailable
26
JOINT
13455-10G00
Unavailable
27
O RING
13278-10G10
Unavailable
28
SCREW
13602-10G00
Unavailable
