- Partiron
- OEM Parts
- Suzuki
- Motorcycle
- 2014
- AN650L4 (2014)
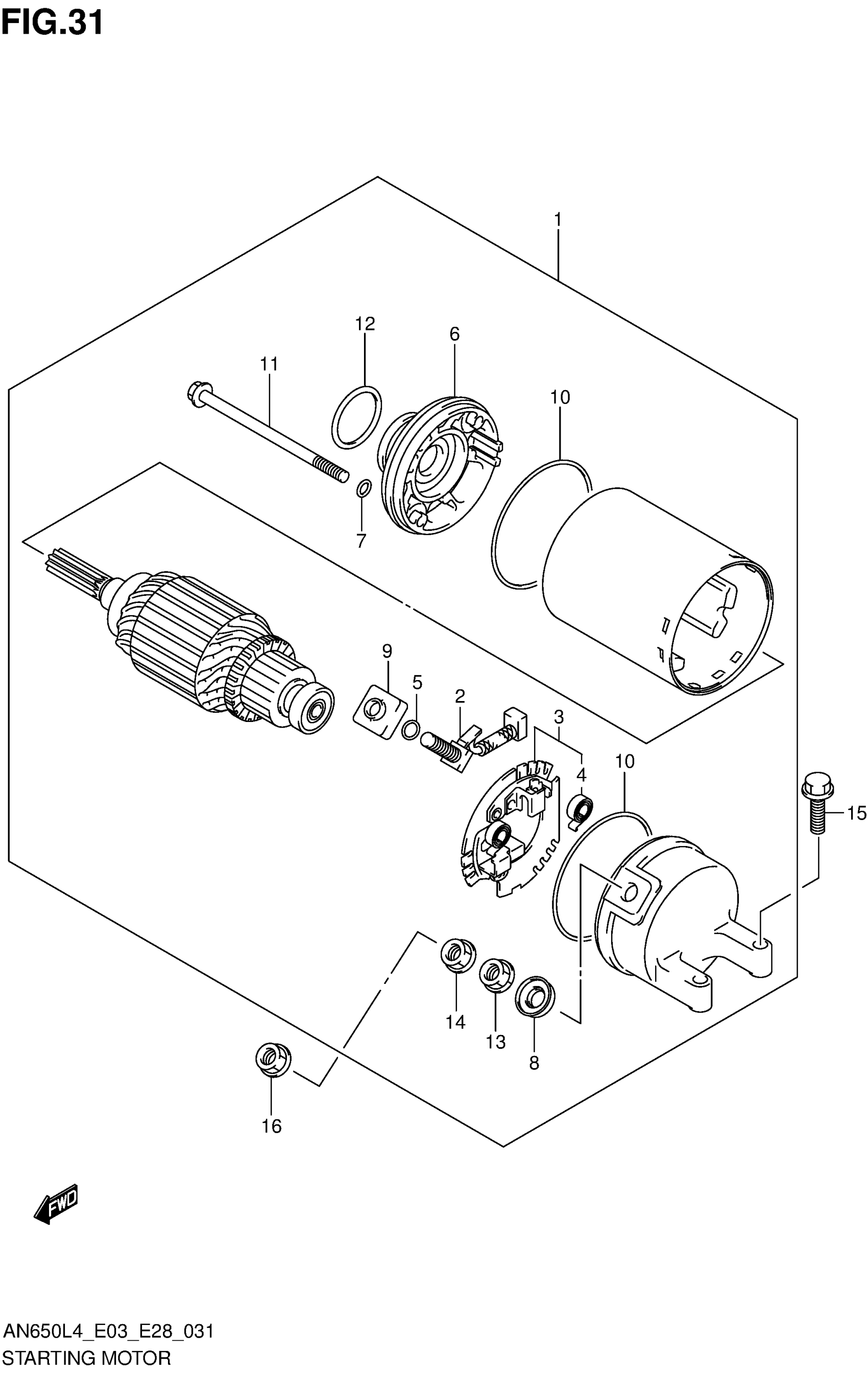
STARTING MOTOR
Suzuki AN650L4 (2014) STARTING MOTOR Diagram
#
Description
Price
6
HOUSING ASSY, STARTING
31150-49500
Unavailable
11
BOLT
31281-88C00
Unavailable
