- Partiron
- OEM Parts
- Suzuki
- Motorcycle
- 2009
- AN650 (2009)
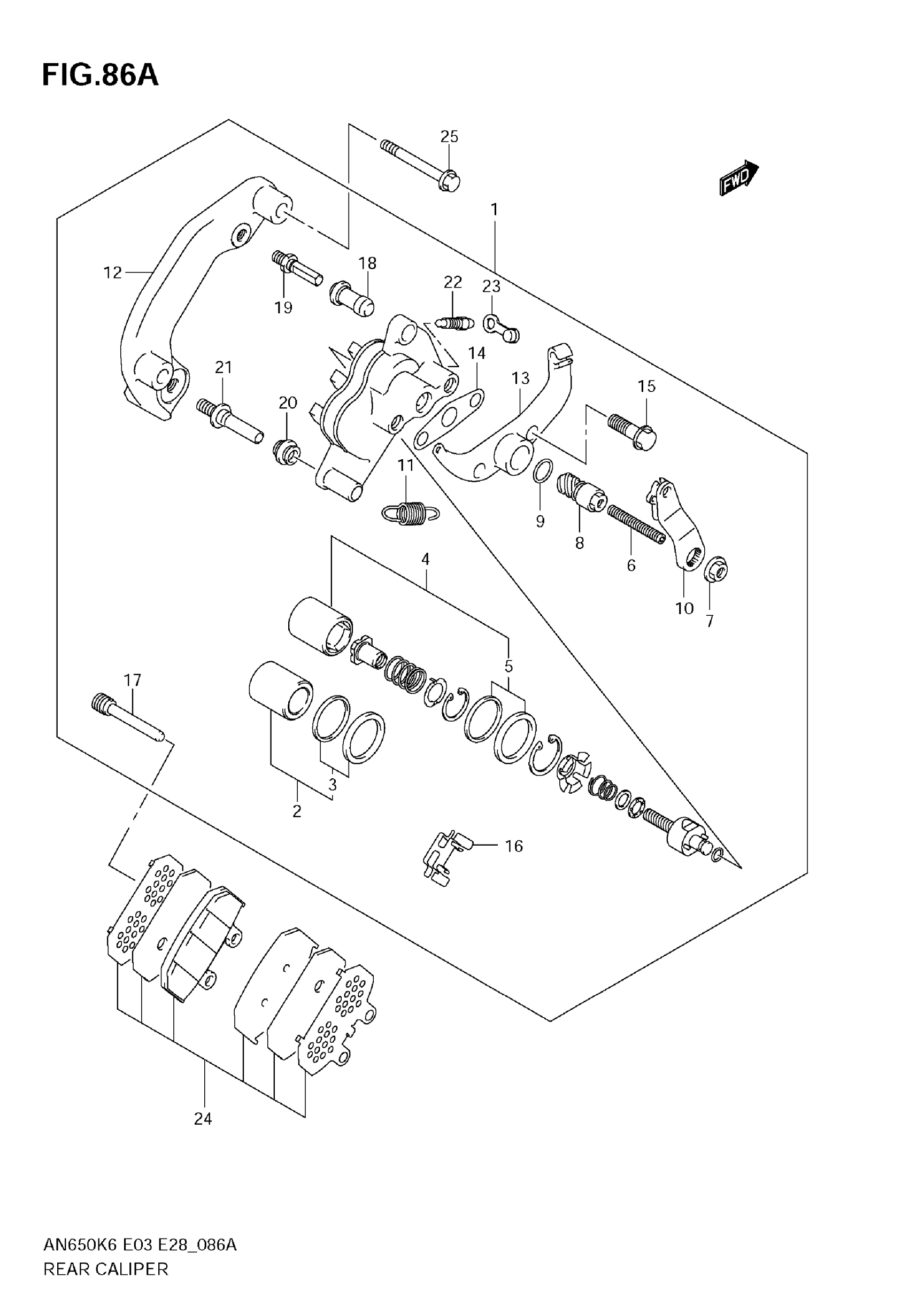
REAR CALIPER (MODEL K9)
Suzuki AN650 (2009) REAR CALIPER (MODEL K9) Diagram
#
Description
Price
1
CALIPER ASSY,RR | Includes Item(s) 2 - 23 This part replaces 69100-10G20-999.
69100-10G21-999
$734.63
8
SHAFT
69124-10G00
Unavailable
9
O RING
69122-14F40
Unavailable
10
ARM
69125-10G10
Unavailable
13
PARKING
69120-10G10
Unavailable
15
BOLT (8X25)
69121-14F00
Unavailable
25
BOLT
09103-08181
Unavailable
