- Partiron
- OEM Parts
- Suzuki
- Motorcycle
- 2012
- AN400ZAL2 (2012)
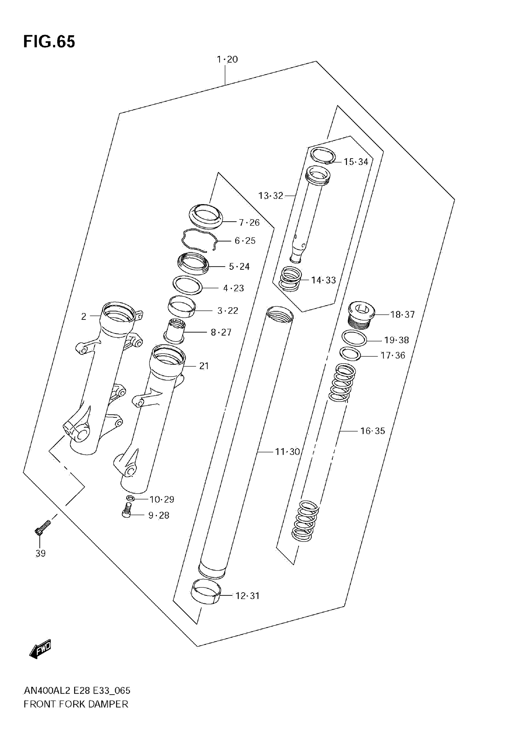
FRONT FORK DAMPER
Suzuki AN400ZAL2 (2012) FRONT FORK DAMPER Diagram
#
Description
Price
2
TUBE, OUTER RH
51130-05H70
Unavailable
13
CYLINDER
51146-05H00
Unavailable
14
SPRING, REBOUND
51177-14F70
Unavailable
15
RING, PISTON
51196-14F51
Unavailable
18
CAP, FORK
51351-14F20
Unavailable
32
CYLINDER
51146-05H00
Unavailable
33
SPRING, REBOUND
51177-14F70
Unavailable
34
RING, PISTON
51196-14F51
Unavailable
37
CAP, FORK
51351-14F20
Unavailable
