- Partiron
- OEM Parts
- Suzuki
- Motorcycle
- 2025
- AN400AM5 (2025)
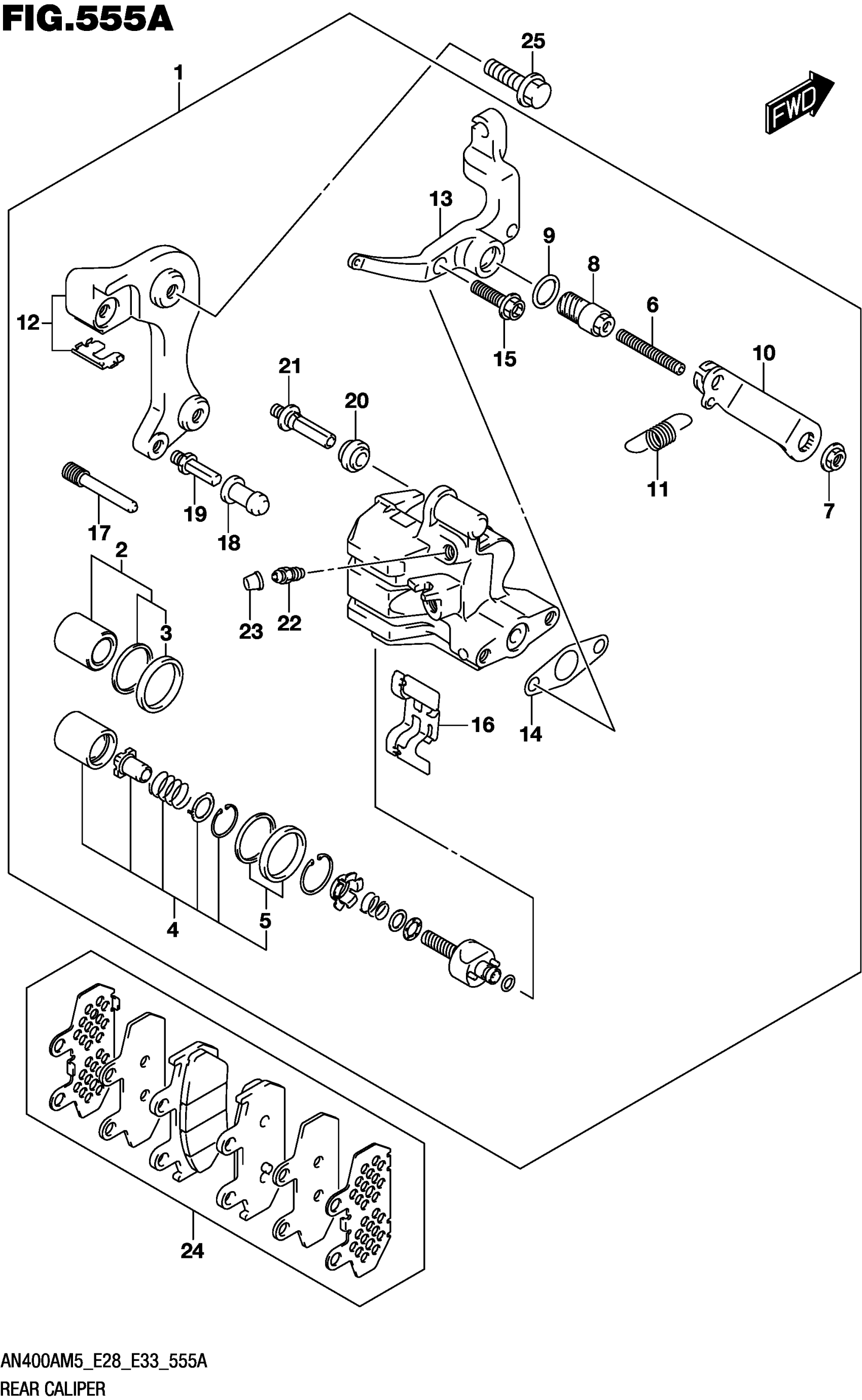
REAR CALIPER
Suzuki AN400AM5 (2025) REAR CALIPER Diagram
#
Description
Price
8
.SHAFT
69124-10G00
Unavailable
9
.O-RING
69122-14F40
Unavailable
12
.BRACKET
69150-05H10
Unavailable
13
.PARKING
69120-05H10
Unavailable
15
.BOLT (8X25)
69121-14F00
Unavailable
