Partiron

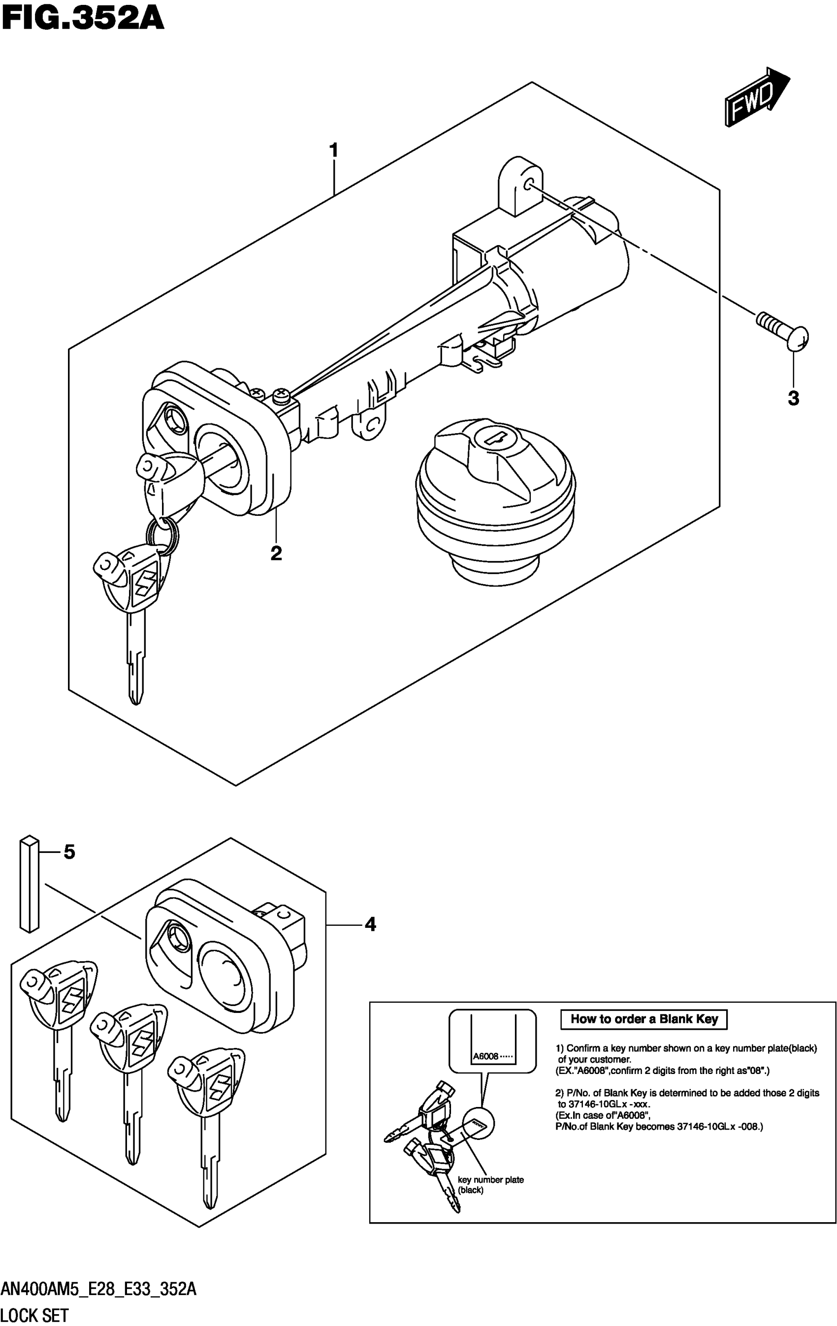
Suzuki AN400AM5 (2025) LOCK SET Diagram

#

Description
Price

1

LOCK SET

37102-19814

$294.38

2

.LOCK ASSY,STEERING

37100-19K14

$229.00

3

SCREW (6X20)

09139-06048

$2.14

4

SHUTTER SET

37155-19831

$339.32

5

CUSHION (5X50X5)

44279-18K00

$4.53