- Partiron
- OEM Parts
- Suzuki
- Motorcycle
- 2024
- AN400AM4 (2024)
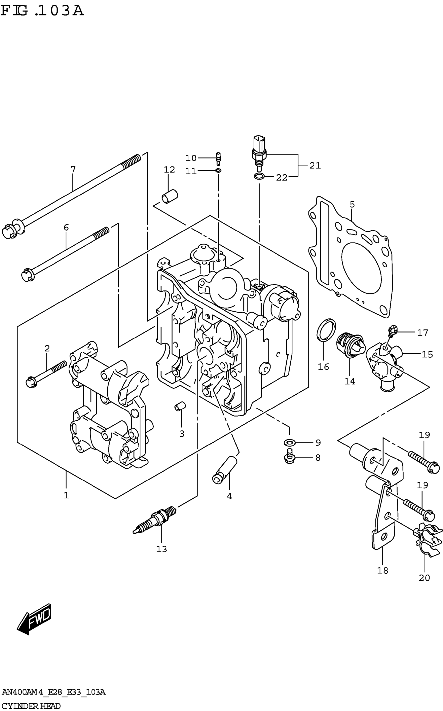
CYLINDER HEAD
Suzuki AN400AM4 (2024) CYLINDER HEAD Diagram
#
Description
Price
4
GUIDE,VALVE (OS:0.3)
11115-32C71
Unavailable
6
BOLT (8X130)
09103-08086
Unavailable
20
CLAMP
27893-54J00
Unavailable
