Suzuki AN400AL4 (2014) FRAME Diagram
#
Description
Price
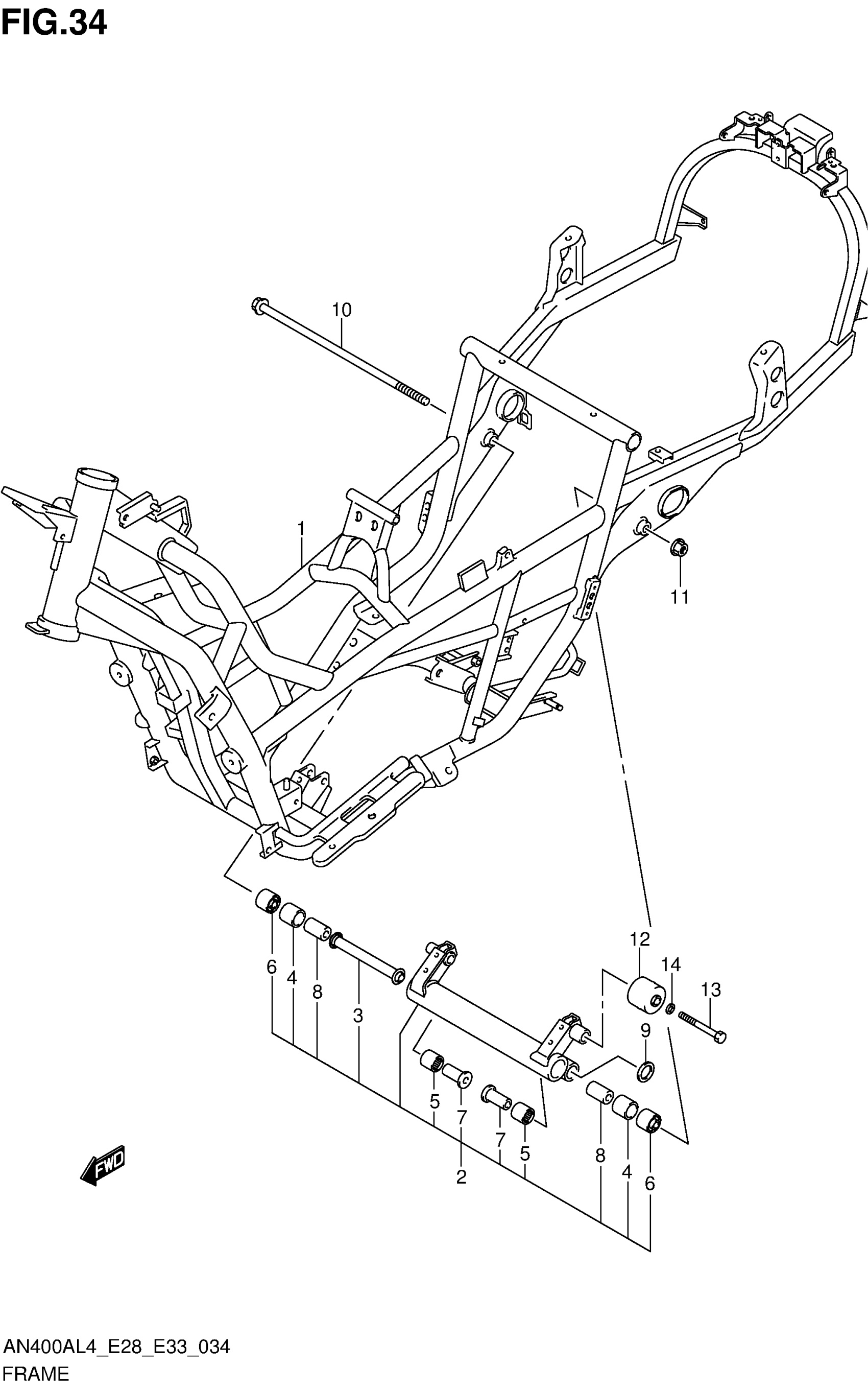
3
SPACER, BRACKET
42610-05H00
Unavailable
4
BEARING (25X33X30)
09263-25063
Unavailable
7
SPACER, ENGINE
41214-14F10
Unavailable
8
SPACER, BRACKET
41213-14F00
Unavailable
10
BOLT (12X440)
09103-12086
Unavailable
12
CUSHION,SWING STOP
41185-14F00
Unavailable
13
BOLT (12X62)
09103-12065
Unavailable
