- Partiron
- OEM Parts
- Suzuki
- Motorcycle
- 2011
- AN400AL1 (2011)
FRONT FORK DAMPER (AN400 L1 E33)
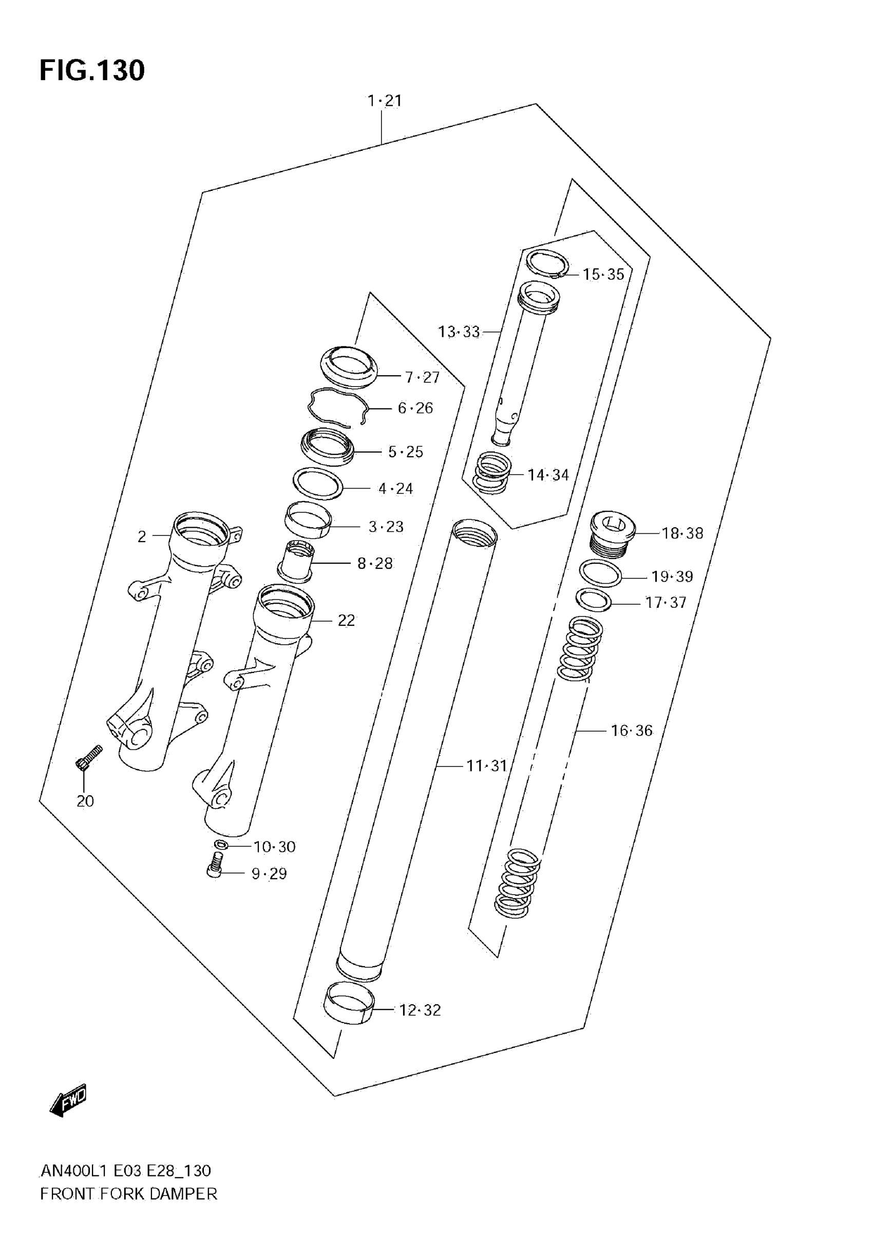
Suzuki AN400AL1 (2011) FRONT FORK DAMPER (AN400 L1 E33) Diagram
#
Description
Price
1
DAMPER ASSY, FRONT FORK RH
51103-05H00
Unavailable
2
TUBE, OUTER RH
51130-05H00
Unavailable
13
CYLINDER
51146-05H00
Unavailable
14
SPRING, REBOUND
51177-14F70
Unavailable
15
RING, PISTON
51196-14F51
Unavailable
18
CAP, FORK
51351-14F20
Unavailable
21
DAMPER ASSY, FRONT FORK LH
51104-05H00
Unavailable
22
TUBE, OUTER LH
51140-05H00
Unavailable
33
CYLINDER
51146-05H00
Unavailable
34
SPRING, REBOUND
51177-14F70
Unavailable
35
RING, PISTON
51196-14F51
Unavailable
38
CAP, FORK
51351-14F20
Unavailable
