- Partiron
- OEM Parts
- Suzuki
- Motorcycle
- 2009
- AN400AK9 (2009)
WATER PUMP
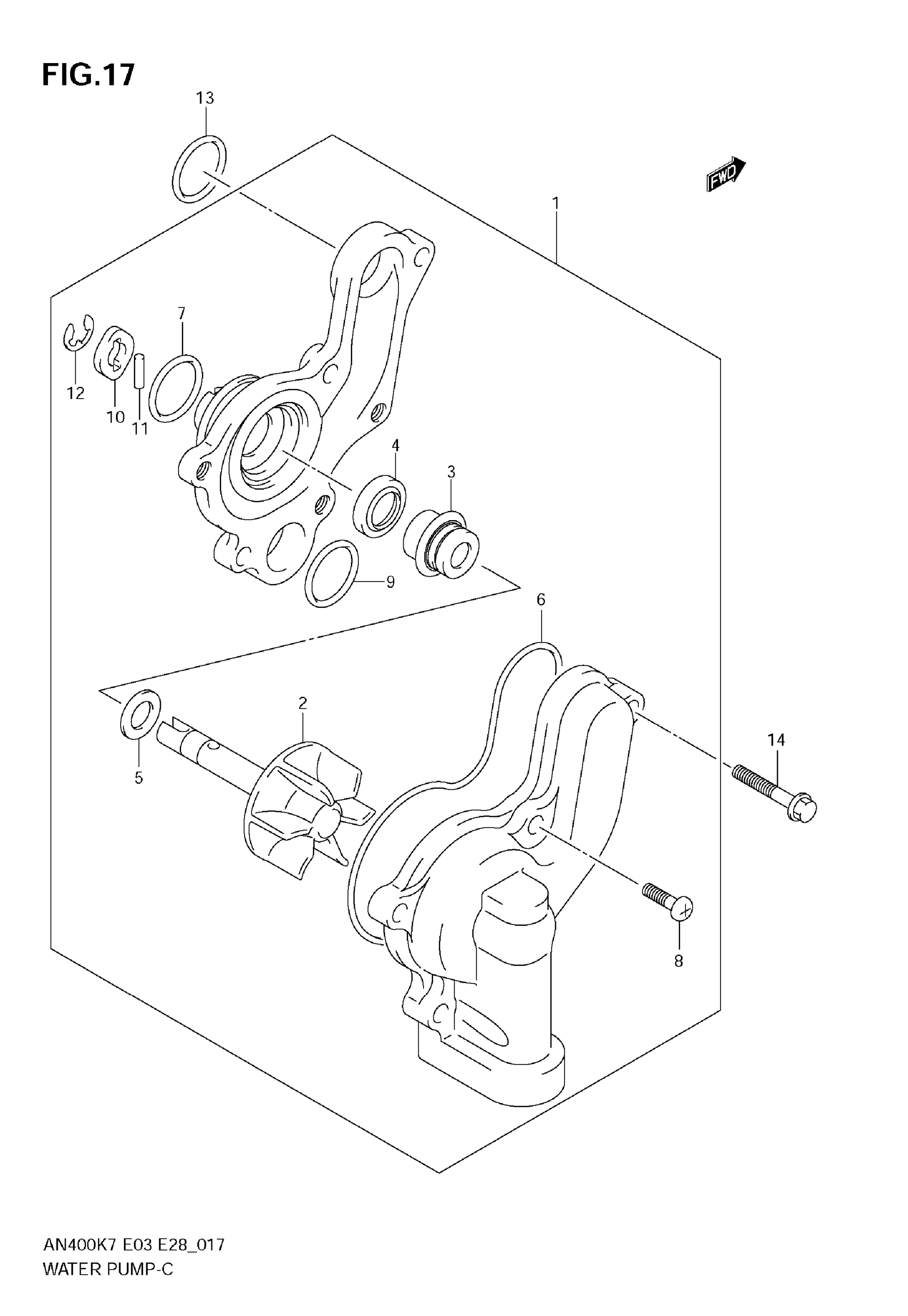
Suzuki AN400AK9 (2009) WATER PUMP Diagram
#
Description
Price
1
PUMP ASSY, WATER
17400-05H00-E00
Unavailable
10
CAP
17481-05H00
Unavailable
12
E RING
17483-05H00
Unavailable
