- Partiron
- OEM Parts
- Suzuki
- Motorcycle
- 2006
- AN400 (2006)
WIRING HARNESS (MODEL K5/K6)
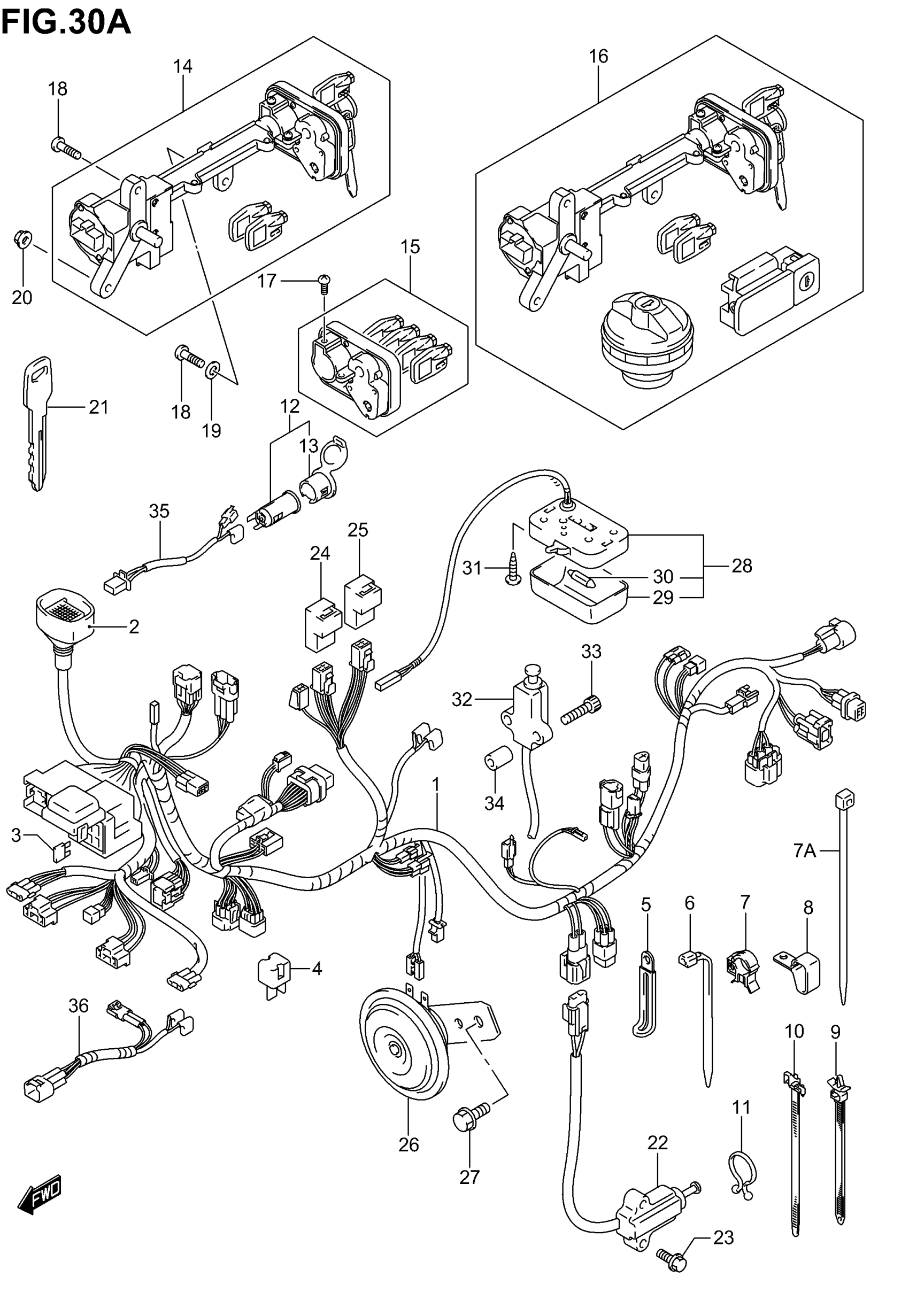
Suzuki AN400 (2006) WIRING HARNESS (MODEL K5/K6) Diagram
#
Description
Price
1
HARNESS, WIRING | Includes Item(s) 2 - 4
36610-14GD0
Unavailable
7
CLAMP (ID:25)
09403-25401
Unavailable
8
CLAMP
36651-14G00
Unavailable
10
CLAMP
09407-12407
Unavailable
12
TERMINAL, POWER SOURCE | Includes Item(s) 13
39410-76F00-P4Z
Unavailable
15
SHUTTER,STEERIN This part replaces 37155-14G01.
37155-14G02
Unavailable
17
TORX BOLT (5X10)
37159-14G00
Unavailable
26
HORN ASSY
38500-14G00
Unavailable
28
LAMP ASSY, TRUNK BOX | Includes Item(s) 29 - 30
36210-14G00
Unavailable
29
LENS, ROOM LAMP
36212-79001
Unavailable
32
SWITCH ASSY, TRUNK BOX LAMP
37980-14F00
Unavailable
35
WIRE, POWER SOURCE LEAD
36852-14G00
Unavailable
36
WIRE, IGNITION COIL LEAD
36854-14G00
Unavailable
