- Partiron
- OEM Parts
- Suzuki
- Motorcycle
- 2006
- AN400 (2006)
REAR CUSHION LEVER
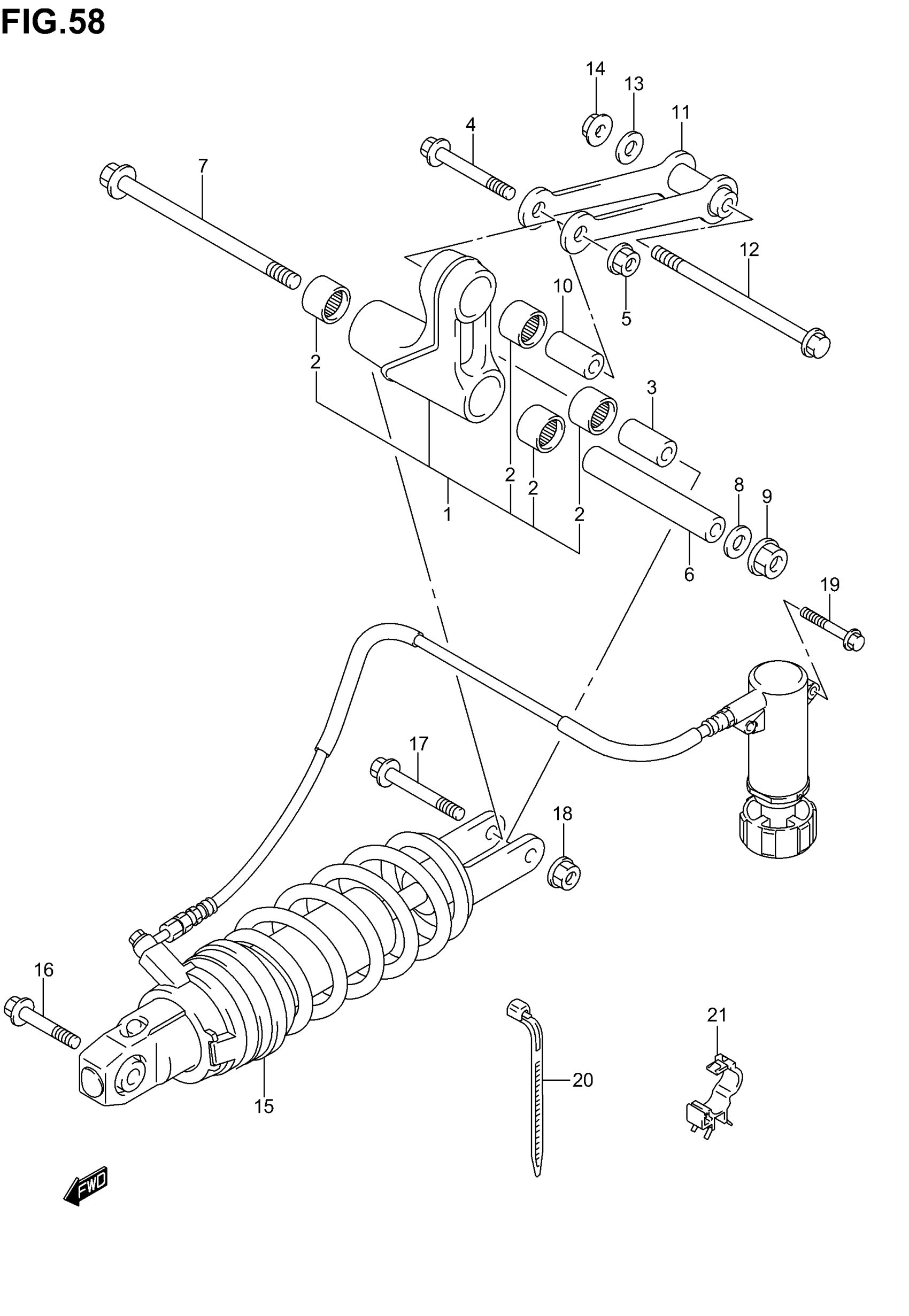
Suzuki AN400 (2006) REAR CUSHION LEVER Diagram
#
Description
Price
1
LEVER SET, REAR CUSHION | Includes Item(s) 2
62610-14810
Unavailable
11
ROD, RR CUSHION LEVER
62640-14F10
Unavailable
12
BOLT (10X132) | ROD
09103-10198
Unavailable
15
ABSORBER ASSY, REAR SHOCK | E28
62100-14FE0
Unavailable
15
ABSORBER ASSY, REAR SHOCK | E3,E33
62100-14FF0
Unavailable
17
BOLT (10X58) | RR
09103-10026
Unavailable
