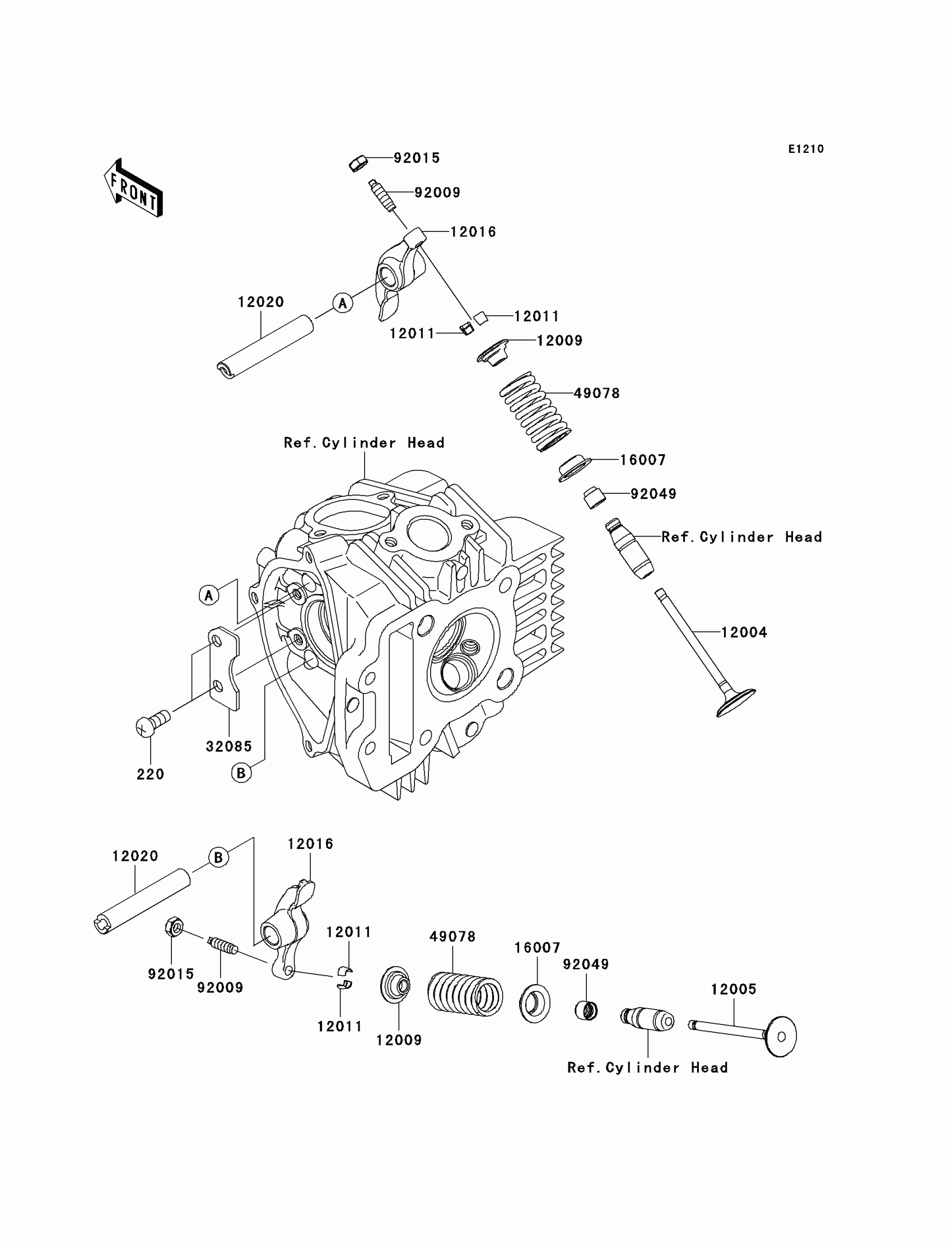
Kawasaki AN112 Valve(s) Diagram
#
Description
Price
12004
VALVE-INTAKE
12004-1158
Unavailable
12005
VALVE-EXHAUST
12005-1331
Unavailable
#
12004
12004-1158
Unavailable
12005
12005-1331
Unavailable
Edit ride
