Partiron

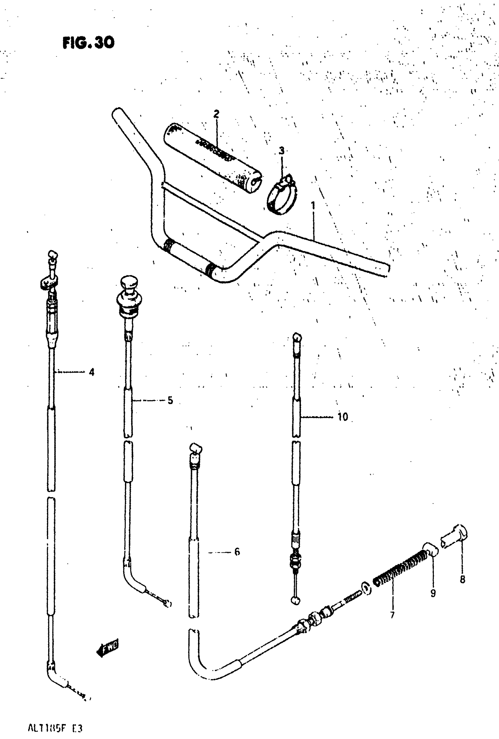
Suzuki ALT185 (1985) HANDLEBAR - CABLE Diagram

#

Description
Price

1

HANDLEBAR

56110-24300-291

Unavailable

2

PAD, CROSS BAR

56172-24500

$16.35

3

CLAMP

09407-18401

$2.07

4

CABLE,THROTTLE This part replaces 58300-24300.

58300-24301

Unavailable

5

CABLE, STARTER

58400-24301

Unavailable

6

CABLE,REAR BRAK | Includes Item(s) 7 - 9 This part replaces 58500-24300.

58500-24301

Unavailable

7

NO DESCRIPTION AVAILABLE This part replaces 09440-07034.

09440-07034-XC0

Unavailable

8

NUT This part replaces 09150-06008.

09150-06012

$3.37

9

PIN

09209-13006

$5.24

10

NO DESCRIPTION AVAILABLE This part replaces 58900-24300.

58900-24301

Unavailable