- Partiron
- OEM Parts
- Suzuki
- All Terrain Vehicle
- 1984
- ALT125 (1984)
HANDLE SWITCH - CONTROL CABLE (MODEL E)
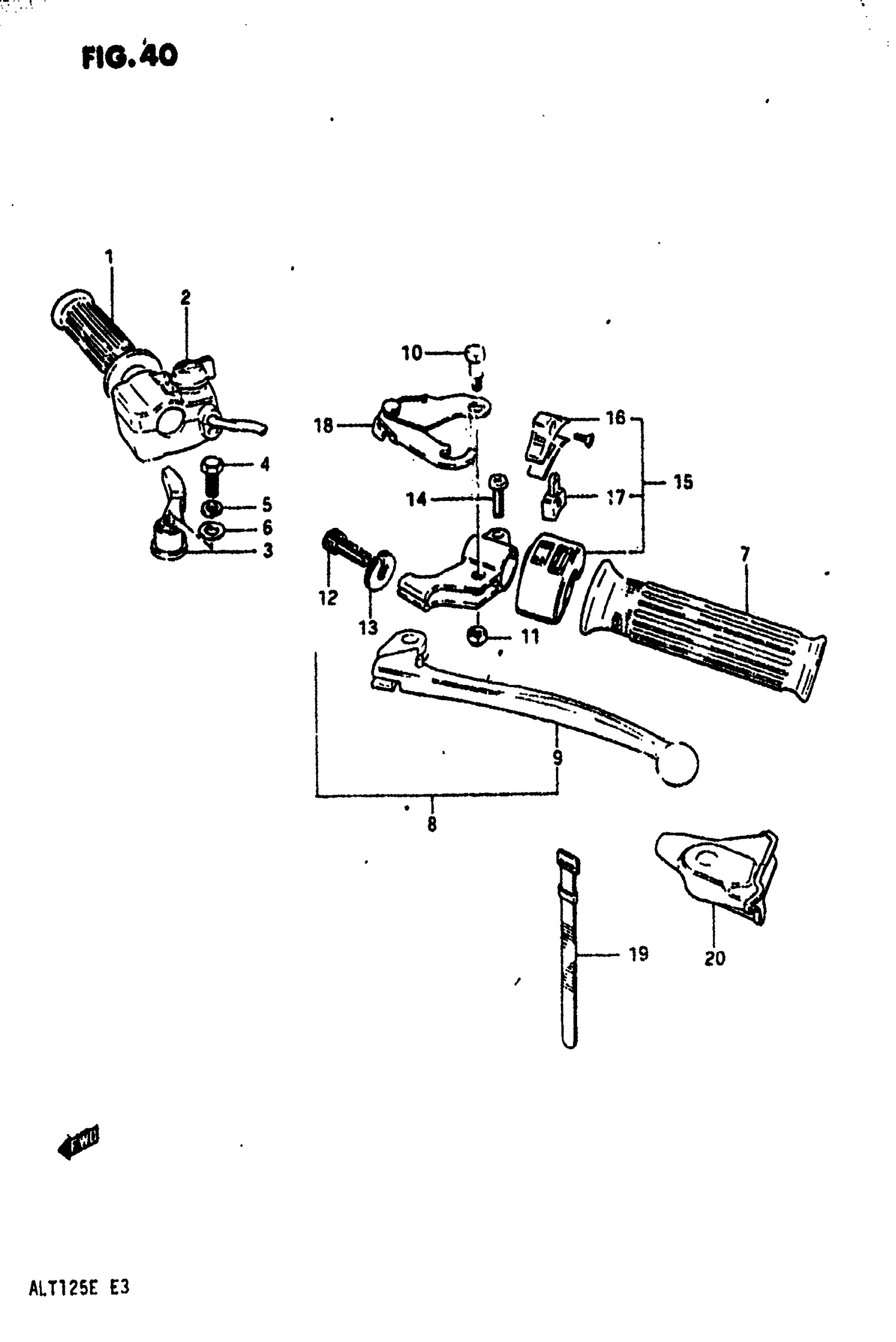
Suzuki ALT125 (1984) HANDLE SWITCH - CONTROL CABLE (MODEL E) Diagram
#
Description
Price
1
GRIP This part replaces 57211-24200.
57211-24201
Unavailable
2
THROTTLE CASE ASSY | Includes Item(s) 3 - 6 This part replaces 57100-24311.
57100-24312
Unavailable
7
GRIP This part replaces 57211-24200.
57211-24201
Unavailable
8
LEVER ASSY, REAR BRAKE | Includes Item(s) 9 - 14
57500-24200
Unavailable
9
LEVER,BRAKE This part replaces 57620-24200.
57620-29500
Unavailable
15
SWITCH ASSY, LIGHTING | Includes Item(s) 16 - 17
37250-38200
Unavailable
16
KNOB
57617-28602
Unavailable
17
BLOCK, SLIDING
57680-28602
Unavailable
18
STOPPER, BRAKE LEVER
57790-18900
Unavailable
