- Partiron
- OEM Parts
- Suzuki
- All Terrain Vehicle
- 1984
- ALT125 (1984)
FRONT WHEEL
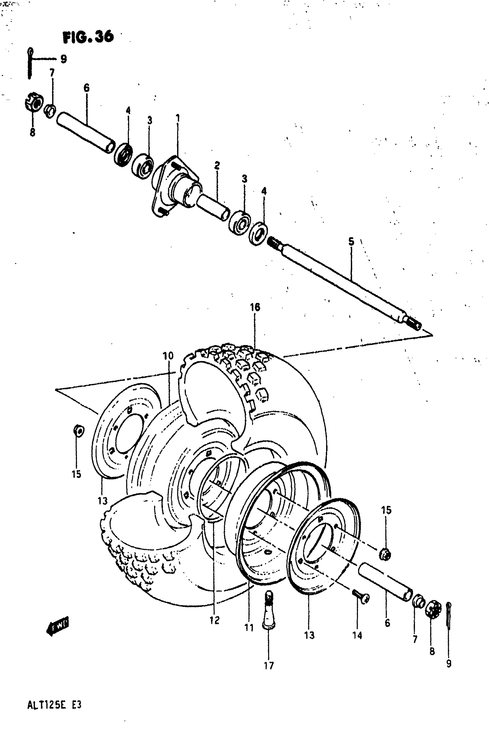
Suzuki ALT125 (1984) FRONT WHEEL Diagram
#
Description
Price
1
FRONT HUB
54110-24300
Unavailable
2
SPACER, FRONT HUB
54731-24300
Unavailable
5
AXLE, FRONT This part replaces 54711-24200.
54711-24201
Unavailable
6
SPACER, FRONT AXLE
54741-24300
Unavailable
7
SPACER, FRONT AXLE NUT
54771-24200
Unavailable
10
NO DESCRIPTION AVAILABLE This part replaces 55312-24200-126.
55312-24201-126
Unavailable
11
NO DESCRIPTION AVAILABLE This part replaces 55313-24200-126.
55313-24201-126
Unavailable
12
GASKET, WHEEL RIM
55315-24200
Unavailable
13
NO DESCRIPTION AVAILABLE This part replaces 55317-24200-126.
55317-24201-126
Unavailable
14
BOLT, WHEEL RIM
09107-08003
Unavailable
16
TIRE, FRONT (22x1.100-8) | DUNLOP
55100-24255
Unavailable
