- Partiron
- OEM Parts
- Polaris
- ATV
- 2017
- ACE 900 EPS XC (R11) - A17DCE87AU
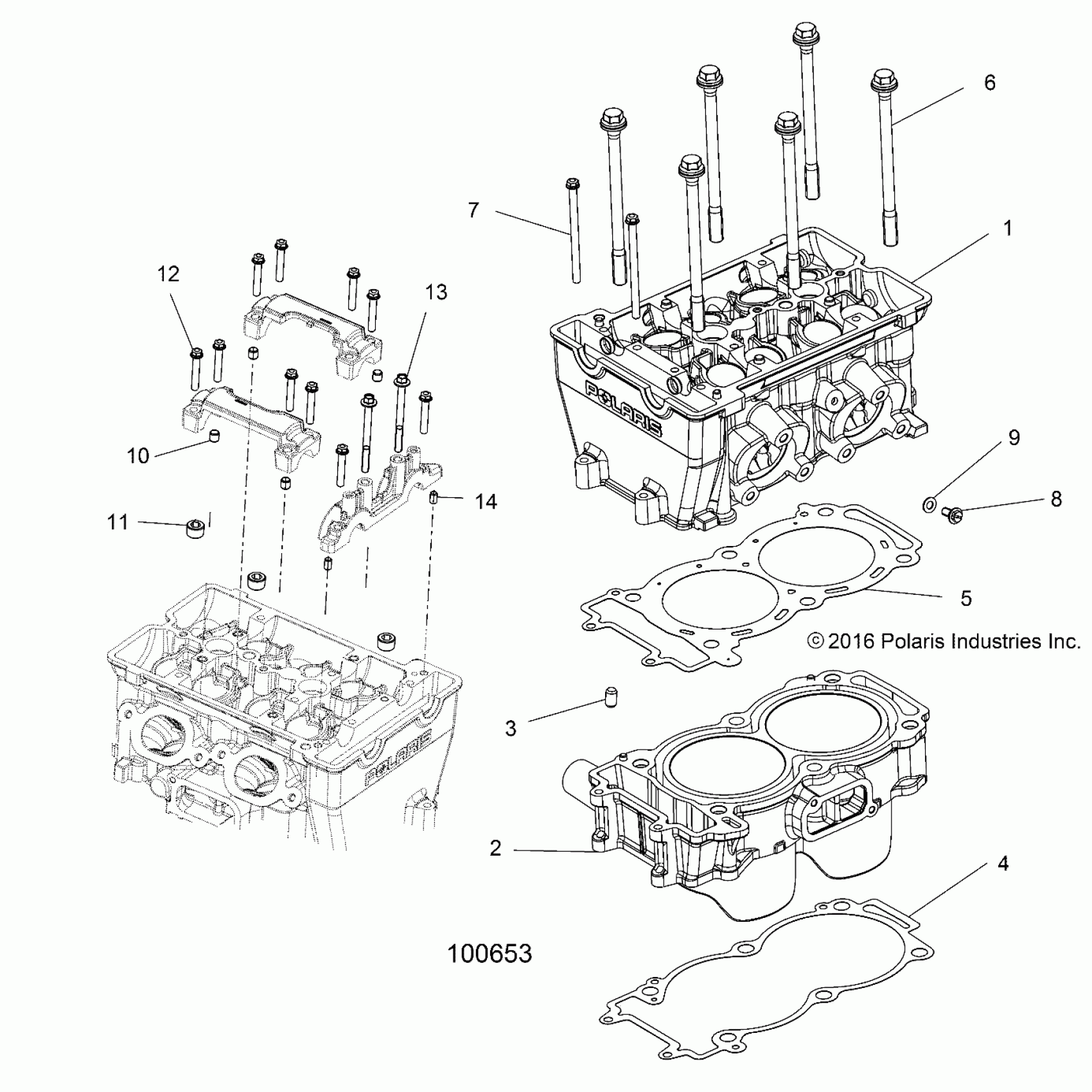
ENGINE, CYLINDER and HEAD - A17DCE87AU (100653)
Polaris ACE 900 EPS XC (R11) - A17DCE87AU ENGINE, CYLINDER and HEAD - A17DCE87AU (100653) Diagram
#
Description
Price
1
ASM-HEAD,MACHINED,DOHC [INCL. HEAD, SEATS, GUIDES, CARRIERS, 10-14, QTY. 2 OF 3]
3022441
Unavailable
2
ASM-CYLINDER,875 [INCL. CYLINDER, DOWEL PINS]
3023155
Unavailable
5
GASKET, CYLINDER HEAD
5813737
Unavailable
6
BOLT, HEAD
7519123
Unavailable
12
SCR-HXFL-M6X1.0X35 10.9 ZY3
7519996
Unavailable
