- Partiron
- OEM Parts
- Polaris
- ATV
- 2016
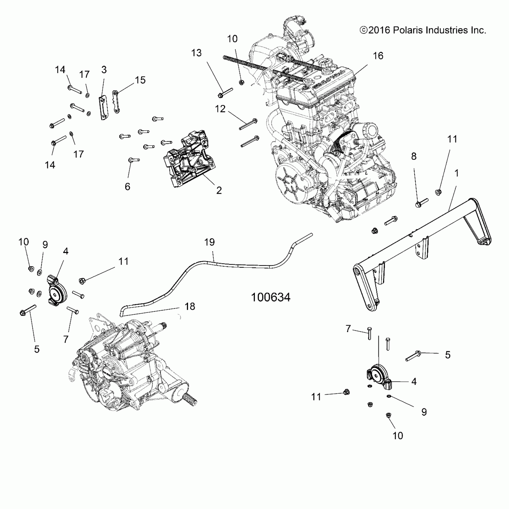
- ACE 900 EFI EPS (R10) - A16DAE87AL
ENGINE, MOUNTING - A16DAE87AL (100634)
Polaris ACE 900 EFI EPS (R10) - A16DAE87AL ENGINE, MOUNTING - A16DAE87AL (100634) Diagram
#
Description
Price
2
BRKT-TRANSJOINT,MACH
5137795
Unavailable
16
KIT, LONG BLOCK
2205195
Unavailable
19
FUEL LINE-1/4 ID (SVC),600 CM
8450040-600
Unavailable
